EasyManua.ls Logo

Control Techniques Digitax ST - Page 169

Control Techniques Digitax ST
224 pages
Print Icon
To Next Page IconTo Next Page
To Next Page IconTo Next Page
To Previous Page IconTo Previous Page
To Previous Page IconTo Previous Page
Loading...
Parameter
structure
Keypad and
display
Parameter x.00
Parameter
description format
Advanced parameter
descriptions
Serial comms
protocol
Electronic
nameplate
Performance
Menu 13
Digitax ST Advanced User Guide 169
Issue Number: 1 www.controltechniques.com
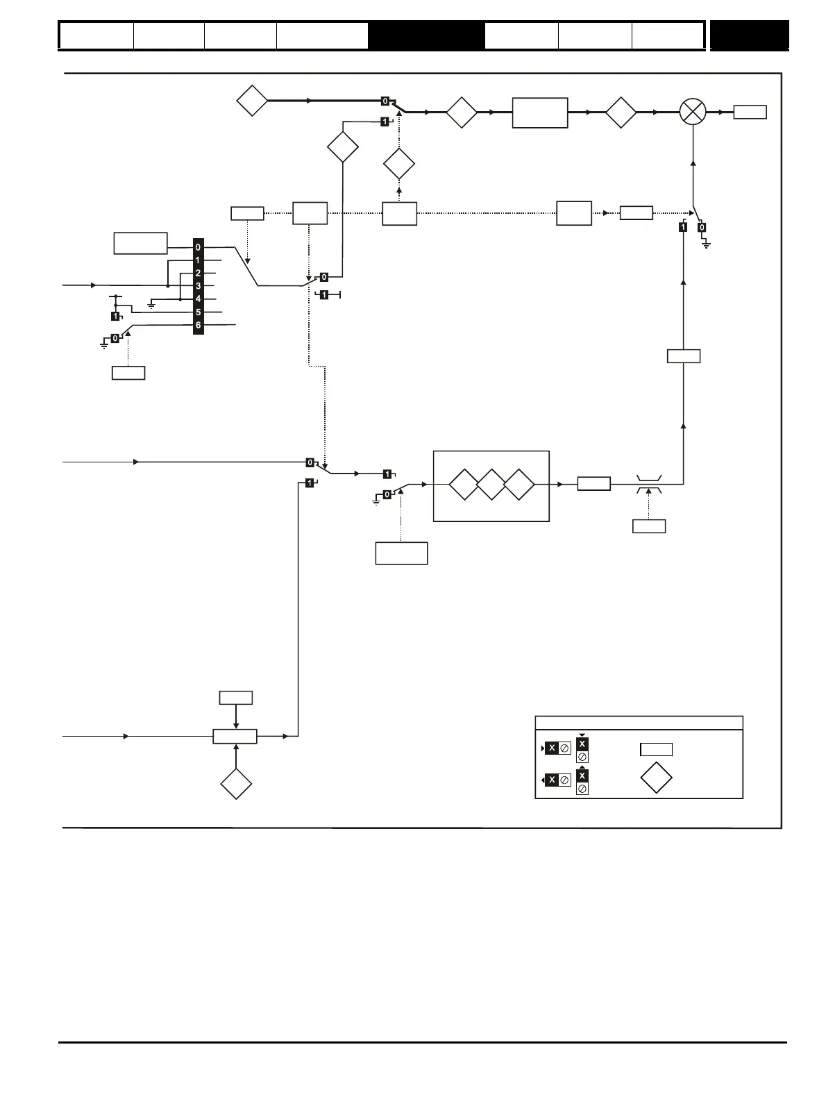
* The position controller is disabled and the error integrator is also reset under the following conditions:
1. If the drive is disabled (i.e. inhibited, ready or tripped)
2. If the position controller mode (Pr 13.10) is changed. The position controller is disabled transiently to reset the error integrator.
3. The absolute mode parameter (Pr 13.11) is changed. The position controller is disabled transiently to reset the error integrator.
4. One of the position sources is invalid.
5. The position feedback initialised parameter (Pr 3.48) is zero.
0.XX
0.XX
Key
Read-write
(RW)
parameter
Read-only (RO)
parameter
Input
terminals
Output
terminals
Orientation
13.14
13.15
Orientation
acceptance
window
Orientation
position
complete
13.01
13.02
13.03
Position loop error
Position loop
enabled*
1
6.08
Hold zero
speed
13.10
Position
controller
mode
1.01
1.39
Speed
reference
selected
Velocity
feed-
forward
1.40
Velocity feed
-forward
select
1.03
Pre-ramp
reference
Menu 2
Ramp Control
2.01
Post-ramp
reference
+
13.09
Position
controller
P gain
13.12
Position
controller
speed clamp
3.22
Hard speed
reference
+
3.23
Hard speed
reference
selector
3.01
Final speed
reference
Position loop
disabled
Revolution Position Fine
Position
13.10
=
5 or 6
13.10
=
1 or 3
13.10
=
1 to 6
This logic diagram applies only when all
parameters are at their default settings

Table of Contents

Related product manuals