EasyManua.ls Logo

Control Techniques Digitax ST - Page 42

Control Techniques Digitax ST
224 pages
Print Icon
To Next Page IconTo Next Page
To Next Page IconTo Next Page
To Previous Page IconTo Previous Page
To Previous Page IconTo Previous Page
Loading...
Menu 3
Parameter
structure
Keypad and
display
Parameter x.00
Parameter
description format
Advanced parameter
descriptions
Serial comms
protocol
Electronic
nameplate
Performance
42 Digitax ST Advanced User Guide
www.controltechniques.com Issue Number: 1
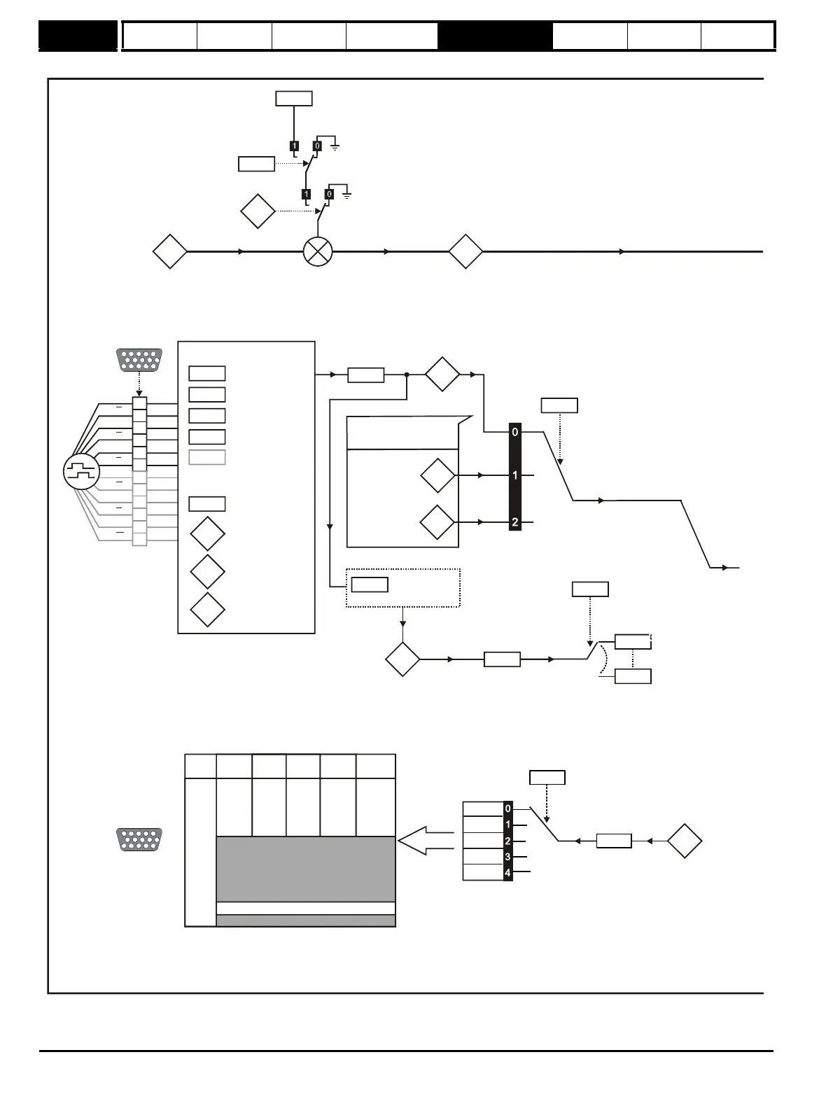
Figure 5-3 Menu 3 Logic diagram
15 way sub-D
connector
Encoder
1
2
3
4
5
6
A
A
B
B
Z
Z
U
U
V
V
W
W
7
8
9
10
11
12
3.38
Drive encoder
type
3.34
Drive encoder lines
per revolution
3.39
Drive encoder
termination disable
3.36
Drive encoder
supply voltage**
3.25
Encoder phase
angle*
ENCODER INTERFACE
DRIVE ENCODER POSITION
3.28
Drive encoder
revolution counter
3.29
Drive encoder
position
3.30
Drive encoder
fine position
15.03
Speed feedback
from Solutions
Module in slot 1
16.03
Speed feedback
from Solutions
Module in slot 2
Feedback from the
Solutions Modules set-up
in Menus 15 and 16
3.27
Drive encoder
speed feedback
3.26
Speed feedback
selector
2.01
Post-ramp
reference
+
+
3.23
1.11
Hard speed
reference
selector
Reference
enabled
indicator
3.01
Final speed
reference
3.22
Hard speed
reference
3.45
3.44
Any unprotected
variable parameter
??.??
??.??
3.46
Drive
encoder
reference
Drive encoder
reference scaling
Drive encoder
reference
destination
3.43
Maximum drive
encoder
reference (rpm)
3.50
Position feedback
lock
3.42
Drive encoder
filter
3.54
Buffered
encoder
output mode
3.52
Ratio
numerator
Fd
Fr
Ab.L
Ab
Fb.L
3.29
Drive
encoder
position
SK4
Term
1
2
3
4
5
6
7
8
9
10
11
12
13
14
15
Ab (0)
A
A\
B
B\
Z
Z\
Fd (1)
F
F\
D
D\
Z
Z\
Fr (2)
F
F\
R
R\
Z
Z\
Ab.L (3)
A
A\
B
B\
Z
Z\
Fd.L (4)
F
F\
D
D\
Z
Z\
0V common
15 way sub-D
connector
SK4
Buffered encoder out

Table of Contents

Related product manuals