EasyManua.ls Logo

Control Techniques Digitax ST - Page 43

Control Techniques Digitax ST
224 pages
Print Icon
To Next Page IconTo Next Page
To Next Page IconTo Next Page
To Previous Page IconTo Previous Page
To Previous Page IconTo Previous Page
Loading...
Parameter
structure
Keypad and
display
Parameter x.00
Parameter
description format
Advanced parameter
descriptions
Serial comms
protocol
Electronic
nameplate
Performance
Menu 3
Digitax ST Advanced User Guide 43
Issue Number: 1 www.controltechniques.com
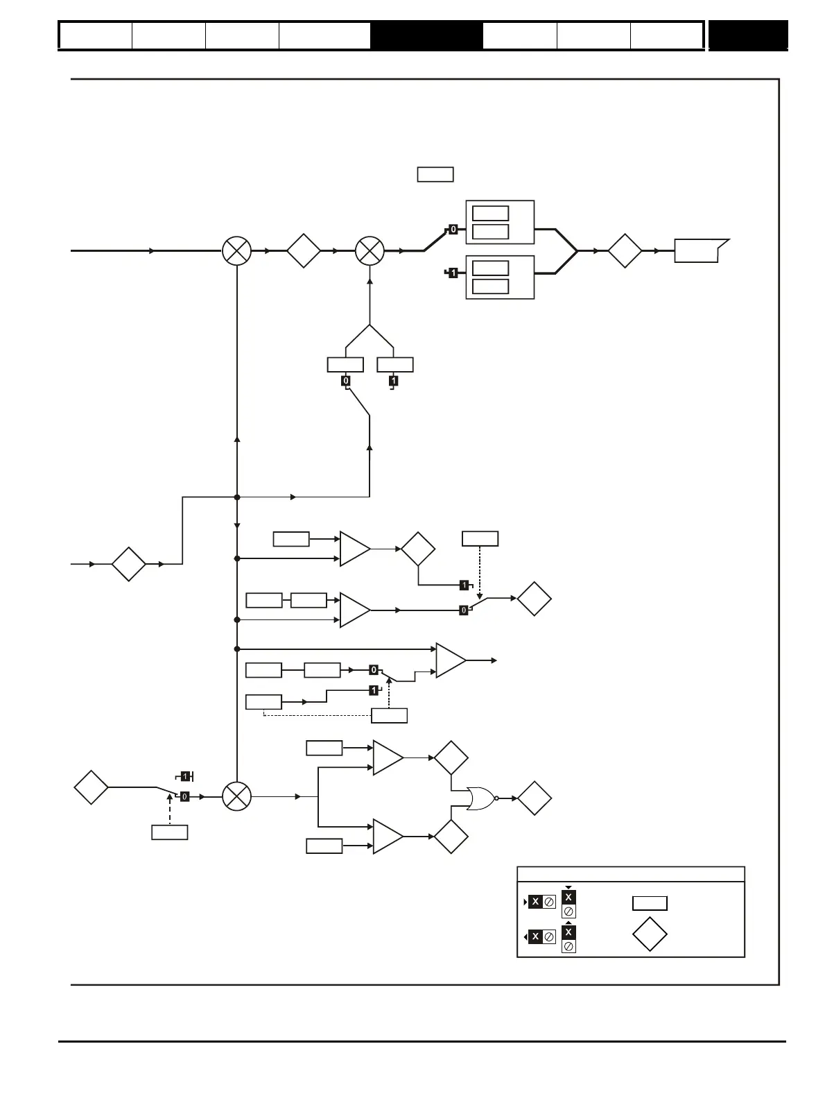
+
_
3.03
Speed
error
+
_
Speed loop gains
3.04
Speed
controller
output
Menu 4
+
_
Overspeed trip
(O.SPd)
1.06
Max reference clamp
+
_
3.06
10.05
Below at-speed
window indicator
At speed
lower limit
+
_
3.07
10.07
Above at-speed
window indicator
At speed
upper limit
10.06
At speed
indicator
NOR
+
_
3.05
10.03
At zero speed
indicator
Zero speed
threshold
+
_
1.07
10.04
At or below min.
speed indicator
Minimum
speed
1.10
Bipolar reference
select
+5min
-1
+20%
1.03
Pre ramp
reference
3.09
Absolute at-speed
detect mode
Speed controller
differential
feedback gains
0.XX
0.XX
Key
Read-write
(RW)
parameter
Read-only (RO)
parameter
Input
terminals
Output
terminals
The parameters are all shown at their default settings
3.08
Overspeed threshold
3.08
>0
Speed controller
gain select
3.10
3.11
(Ki1)
(Kp1)
3.13
3.14
(Ki2)
(Kp2)
3.16
Speed feedback
3.02
+
_
(Kd1)
(Kd2)
3.153.12

Table of Contents

Related product manuals