EasyManua.ls Logo

Control Techniques Digitax ST - Page 69

Control Techniques Digitax ST
224 pages
Print Icon
To Next Page IconTo Next Page
To Next Page IconTo Next Page
To Previous Page IconTo Previous Page
To Previous Page IconTo Previous Page
Loading...
Parameter
structure
Keypad and
display
Parameter x.00
Parameter
description format
Advanced parameter
descriptions
Serial comms
protocol
Electronic
nameplate
Performance
Menu 4
Digitax ST Advanced User Guide 69
Issue Number: 1 www.controltechniques.com
Example:
Work out the available current limit for a DST1405 with a motor rated current of 8A set in Pr 5.07 (i.e. equal to the Maximum current rating of the
drive).
From Table 5-3 above the Current scaling (Kc) value for a DST1405 is 13.72A.
If the motor rated current is reduced then the maximum available current limit increases up to a maximum of 1000%.
The drive only requires the motor rated current to set the maximum current limit correctly and scale the current limits, and so no auto-tuning is
required to set these accurately.
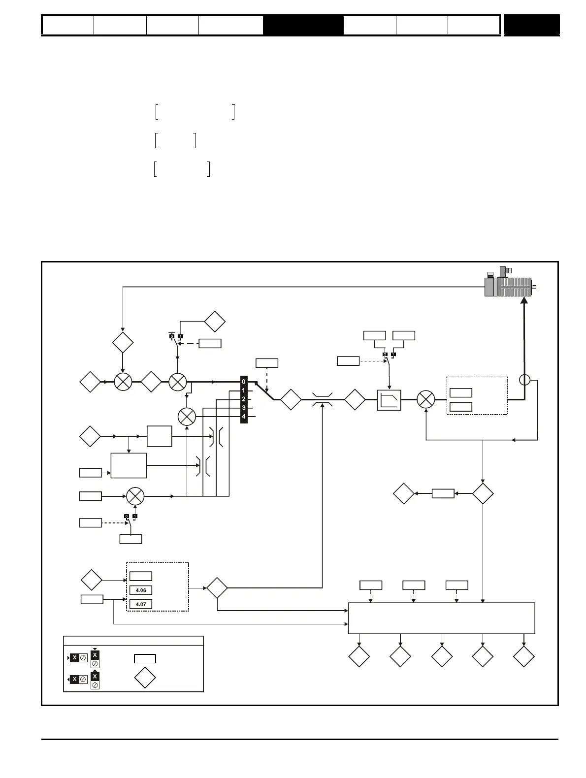
Figure 5-4 Menu 4 Logic diagram
CURRENT_LIMIT_MAX
Maximum current
Motor rated current
-------------------------------------------------------
100%×=
1.75 x Kc
8A
--------------------------
100%×=
1.75 x 17.32A
8A
-------------------------------------
100%×=
300%=
4.04
Current
demand
Filter
+
_
4.08
4.09
10.09
10.08
4.13
4.14
Current loop
P gain
Current loop
I gain
Current controller
4.18
11.32
5.07
4.05
Motoring
Regenerating
Current limits
Symmetrical
Drive rated
continuous
current
Motor rated
current
Over-riding
current limit
3.05
Zero
speed
threshold
Torque reference
offset
Torque
reference*
Speed
over-ride
level
Coiler/uncoiler
speed
over-ride
level
+
At 100%
load
indicator
Current limit
active
indicator
Motor active
current
4.02
10.17
4.19
Motor
overload
accumulator
Motor current
overload alarm
indicator
10.39
Braking energy
overload
indicator
Torque mode
selector
4.11
4.10
Torq ue
reference
offset
enable
+
+
+
4.03
Torque
demand
0.XX
0.XX
Key
Read-write (RW)
parameter
Read-only (RO)
parameter
Input
terminals
Output
terminals
Percentage
load
4.20
The parameters are all shown at their default settings
4.23
Current
demand
filter 1
4.12
Current
demand
filter 2
4.15
4.16
Motor thermal
time constant
Motor protection
mode
4.24
4.25
Low speed
protection mode
Overload detection
User current
max scaling
Speed controller
gain select
3.16
1.03
Pre-
ramp
reference
3.04
+
3.01
3.02
Speed
feedback
Final
speed
demand
_
Speed loop
output
+
+
4.22
2.38
Inertia
compensation
enable
+
Inertia
compensation
torque

Table of Contents

Related product manuals