EasyManua.ls Logo

Cornelius VIPER - Water System

Cornelius VIPER
66 pages
Print Icon
To Next Page IconTo Next Page
To Next Page IconTo Next Page
To Previous Page IconTo Previous Page
To Previous Page IconTo Previous Page
Loading...
Viper Low overrun Service Manual
Publication Number: 621360241LOEWSE - 10 - © 2016, Cornelius Inc.
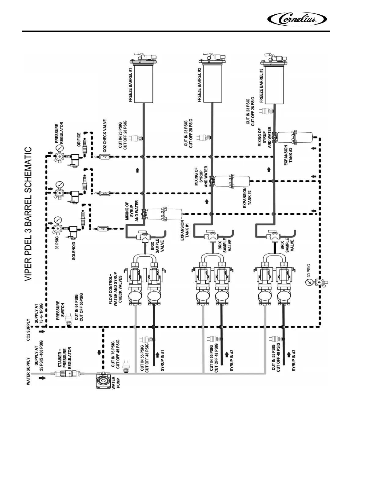
Figure 5. 3-Barrel System Schematic
Water System
Incoming water flows to a water pressure regulator that is preset to 30 psig. It flows through the water booster
pump, to the regulator and through a sold-out switch.
Once through the boost pump, the water supply is split to each barrel and is fed to the water flow controls. From the
flow rate control, the water passes through a single ball check valve and mixes with the syrup in a wye fitting for
injection into the freeze barrel.

Other manuals for Cornelius VIPER

Related product manuals