EasyManua.ls Logo

Coviden Force FX - Front Panel Assembly

Coviden Force FX
268 pages
Print Icon
To Next Page IconTo Next Page
To Next Page IconTo Next Page
To Previous Page IconTo Previous Page
To Previous Page IconTo Previous Page
Loading...
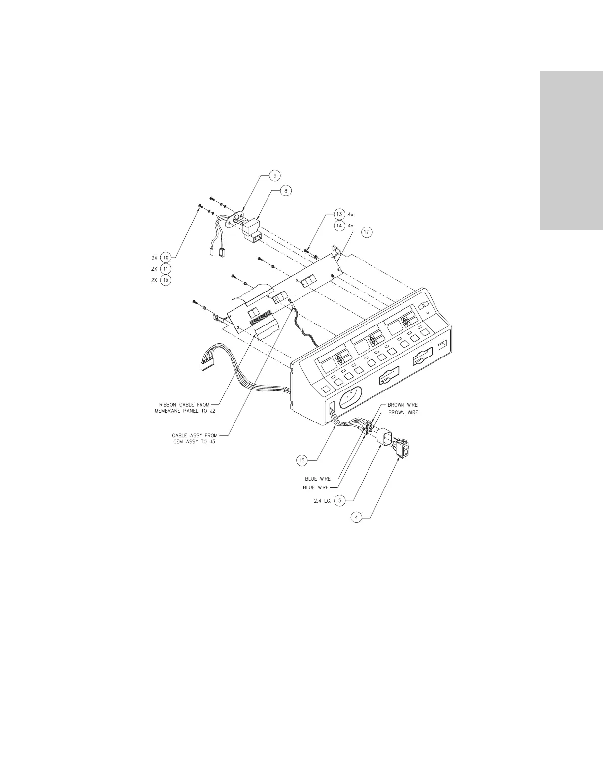
Front Panel Assembly
Service Parts
Force FX Electrosurgical Generator C Service Manual 9-7
Front Panel Assembly
Front panel assembly

Table of Contents

Related product manuals