EasyManua.ls Logo

Coviden Force FX - Page 249

Coviden Force FX
268 pages
Print Icon
To Next Page IconTo Next Page
To Next Page IconTo Next Page
To Previous Page IconTo Previous Page
To Previous Page IconTo Previous Page
Loading...
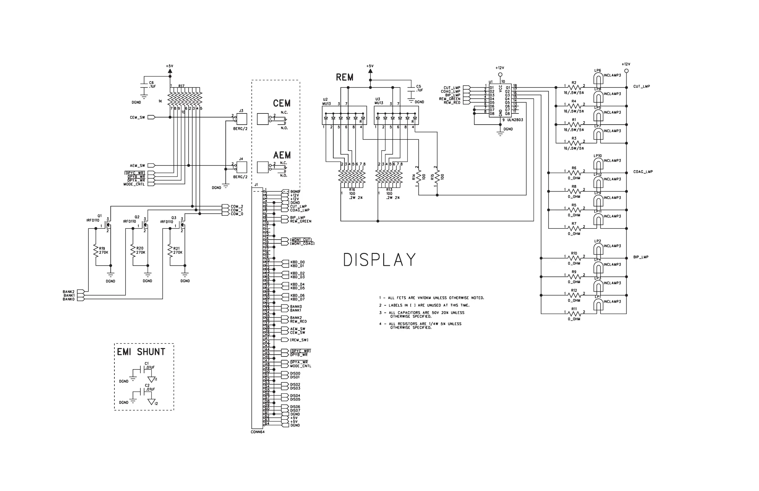
Force FX Electrosurgical Generator C Service Manual Schematics page 9
Display Board Schematic - Sheet 1 of 3

Table of Contents