EasyManua.ls Logo

Crowcon Vortex - Diagram 5 A; Diagram 5 B

Crowcon Vortex
80 pages
Print Icon
To Next Page IconTo Next Page
To Next Page IconTo Next Page
To Previous Page IconTo Previous Page
To Previous Page IconTo Previous Page
Loading...
Vortex
77
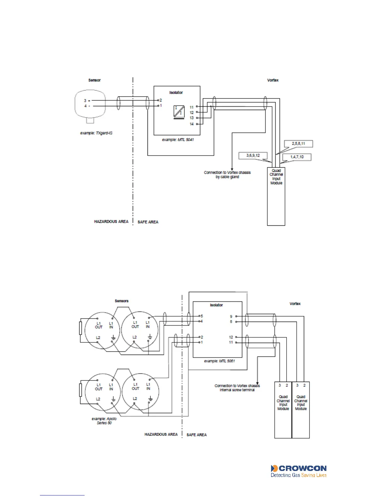
Diagram 5A
Gas sensor connection to Vortex via a galvanic isolator.
APPENDICES
Diagram 5B
Fire sensor connection to Vortex via a galvanic isolator (dual).

Table of Contents

Other manuals for Crowcon Vortex

Related product manuals