EasyManua.ls Logo

Cub Cadet Challenger 750 - Cylinder and Piston

Cub Cadet Challenger 750
255 pages
Print Icon
To Next Page IconTo Next Page
To Next Page IconTo Next Page
To Previous Page IconTo Previous Page
To Previous Page IconTo Previous Page
Loading...
Engine
4‐12
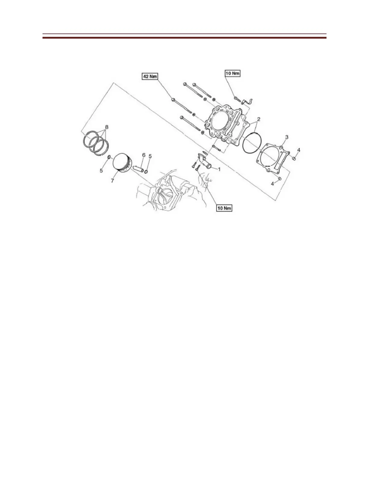
Cylinder and Piston
NO.
Part Name Removing
the cylinder and piston Water Pump
Qty
Remarks
Remove parts in the order
outlet Hose
listed
1
Cylinder Head
Coolant inlet joint
1
2
Cylinder / O-ring
1 / 1
3
Cylinder gasket
1
4
Dowel pin
2
5
Wrist pin clip
2
6
Wrist pin
1
7
Piston
1
8
Piston ring set
1
For installation, reverse the
order listed

Table of Contents

Related product manuals