EasyManua.ls Logo

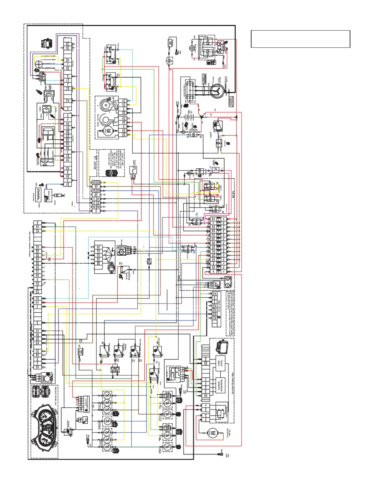
Cub Cadet Challenger 750 - MY 2019 Forward Wiring

Cub Cadet Challenger 750
255 pages
Print Icon
To Next Page IconTo Next Page
To Next Page IconTo Next Page
To Previous Page IconTo Previous Page
To Previous Page IconTo Previous Page
Loading...
MY 2019 Forward Wiring

Table of Contents

Related product manuals