EasyManua.ls Logo

Daikin DZ17VSA481AA - Page 161

Daikin DZ17VSA481AA
188 pages
Print Icon
To Next Page IconTo Next Page
To Next Page IconTo Next Page
To Previous Page IconTo Previous Page
To Previous Page IconTo Previous Page
Loading...
3737
Español
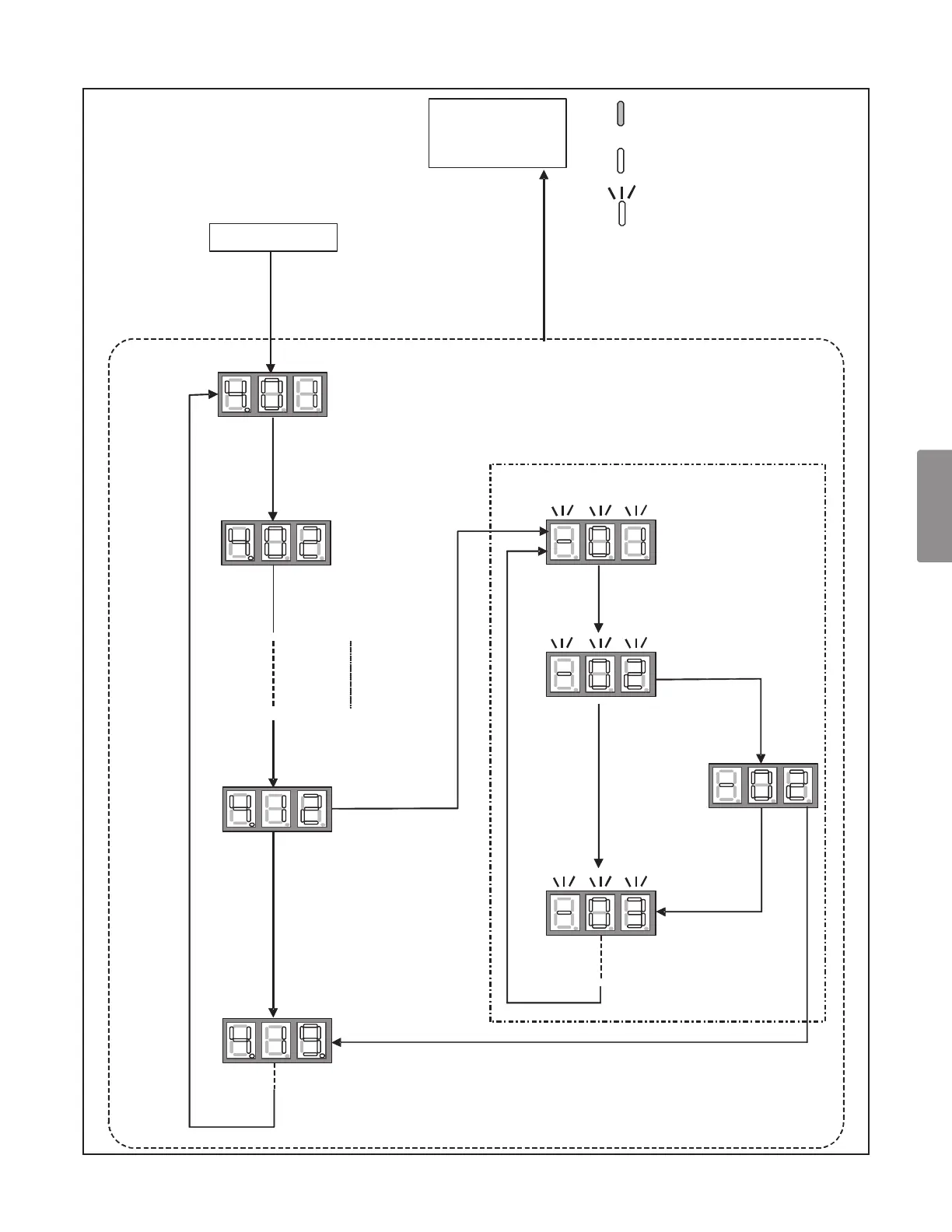
ajustar el modo vIsualIzacIón
Presionar APRENDER.
< Cambiar ajuste pantalla >
Mantener RECALL y TEST.
< PANTALLA 4 >
SETTINGS MODE 2
< PANTALLA 3 >
Presionar RECALL.
Presionar TEST para completar el ajuste y volver al modo de ajustes.
Presionar RECALL.
Presionar RECALL.
< PANTALLA 0 >
APAGADO
ENCENDIDO
Intervalo de parpadeo:
0,4 seg. Encendido -
0,4 seg. Apagado
Presionar RECALL.
Presionar RECALL.
Presionar TEST.
Presionar RECALL.
< PANTALLA 4 >
Ajustar Modo 2 permite al usuario
cambiar los ajustes del sistema. Ver
la tabla en la parte de atrás de esta
sección.
Presionar RECALL para
aumentar el número.
Presionar
RECALL.
Presionar
RECALL.
Presionar TEST
para cambiar el
ajuste.

Table of Contents

Related product manuals