EasyManua.ls Logo

Daikin DZ17VSA481AA - Page 36

Daikin DZ17VSA481AA
188 pages
Print Icon
To Next Page IconTo Next Page
To Next Page IconTo Next Page
To Previous Page IconTo Previous Page
To Previous Page IconTo Previous Page
Loading...
3636
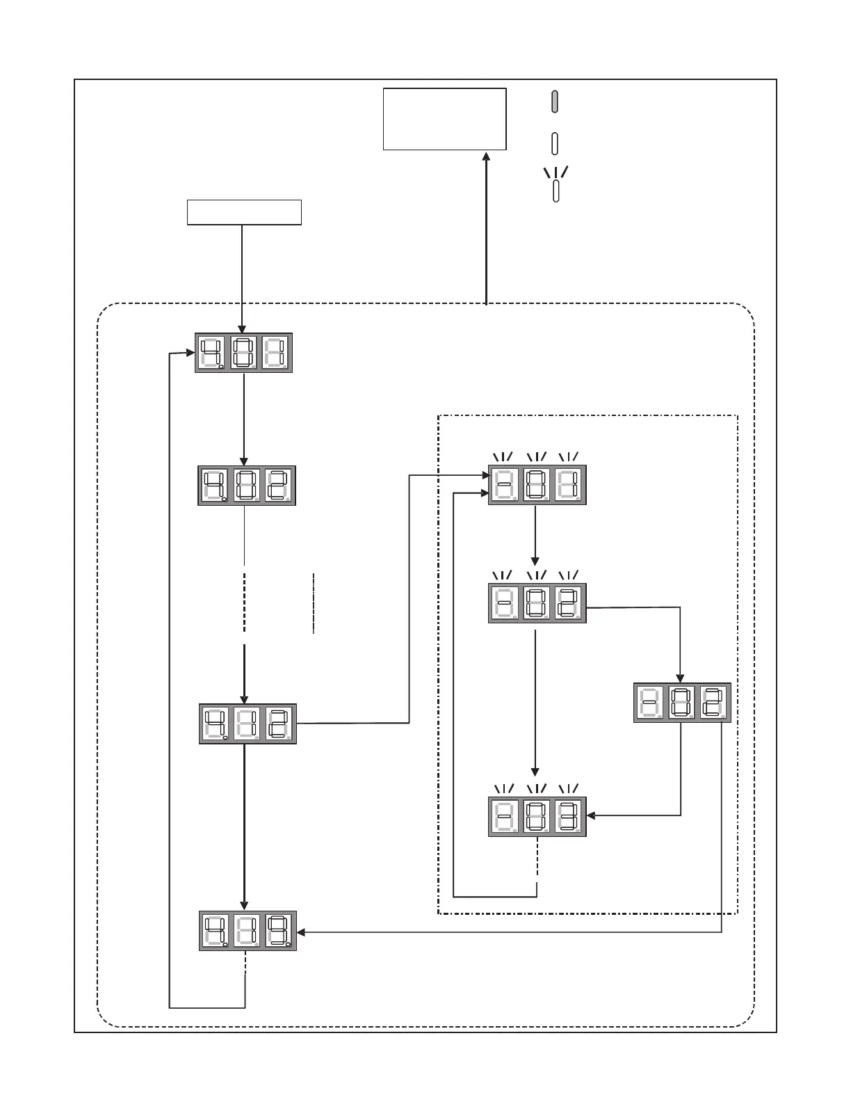
SettIng the mode dISplay
Press LEARN.
< Changing setting display >
Hold RECALL and TEST.
< SCREEN 4 >
SETTINGS MODE 2
< SCREEN 3 >
Press RECALL.
Press TEST to complete setting and return to setting mode.
Press RECALL.
Press RECALL.
< SCREEN 0 >
OFF
ON
Blink interval:
0.4 sec. On - 0.4 sec. Off
Press RECALL.
Press RECALL.
Press TEST.
Press RECALL.
< SCREEN 4 >
Setting Mode 2 allows the user to
change system settings. See table
in back of this section.
Press RECALL
to increase the number.
Press
RECALL.
Press
RECALL.
Press TEST
to change setting.

Table of Contents

Related product manuals