EasyManua.ls Logo

Daikin MD5 - Group 11: Reference Select

Daikin MD5
96 pages
Print Icon
To Next Page IconTo Next Page
To Next Page IconTo Next Page
To Previous Page IconTo Previous Page
To Previous Page IconTo Previous Page
Loading...
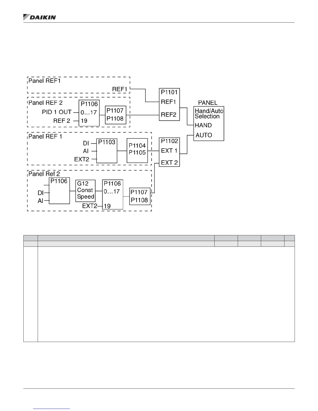
Group 11: Reference Select
This group denes:
How the drive selects between command sources
Characteristics and sources for REF1 and REF2.
Table 9: Group 11: Reference Select
Code Description Range Resolution Default S
1102 EXT1/EXT2 SEL -6…12 1 0 (EXT1)
Denes the source for selecting between the two external control locations EXT1 or EXT2. Thus, denes the source for Start/Stop/Direction commands and
reference signals.
0 = EXT1 – Selects external control location 1 (EXT1).
• See parameter 1001 EXT1 COMMANDS for EXT1’s Start/Stop/Dir denitions.
• See parameter 1103, page 22 REF1 SELECT for EXT1’s reference denitions.
1 = DI1 – Assigns control to EXT1 or EXT2 based on the state of DI1 (DI1 activated = EXT2; DI1 de-activated = EXT1).
2…6 = DI2…DI6 – Assigns control to EXT1 or EXT2 based on the state of the selected digital input. See DI1 above.
7 = EXT2 – Selects external control location 2 (EXT2).
• See parameter 1002 EXT2 COMMANDS for EXT2’s Start/Stop/Dir denitions.
• See parameter 1106 REF2 SELECT for EXT2’s reference denitions.
8 = COMM – Assigns control of the drive via external control location EXT1 or EXT2 based on the eldbus control word.
• Bit 5 of the Command Word 1 (parameter 0301) denes the active external control location (EXT1 or EXT2).
• See Fieldbus user’s manual for detailed instructions.
9 = TIMED FUNC 1 – Assigns control to EXT1 or EXT2 based on the state of the Timed Function (Timed Function activated = EXT2; Timed Function de-
activated = EXT1). See on page 35.
10…12 = TIMED FUNC 2…4 – Assigns control to EXT1 or EXT2 based on the state of the Timed Function. See TIMED FUNC 1 above.
-1 = DI1(INV) – Assigns control to EXT1 or EXT2 based on the state of DI1 (DI1 activated = EXT1; DI1 de-activated = EXT2).
-2…-6 = DI2(INV)…DI6(INV) – Assigns control to EXT1 or EXT2 based on the state of the selected digital input. See DI1(INV) above.
ParaMeTers
www.DaikinApplied.com 21 OM 1191 • MD5 VFD

Table of Contents

Related product manuals