EasyManua.ls Logo

Daikin R407C PLUS - Page 53

Daikin R407C PLUS
267 pages
Print Icon
To Next Page IconTo Next Page
To Next Page IconTo Next Page
To Previous Page IconTo Previous Page
To Previous Page IconTo Previous Page
Loading...
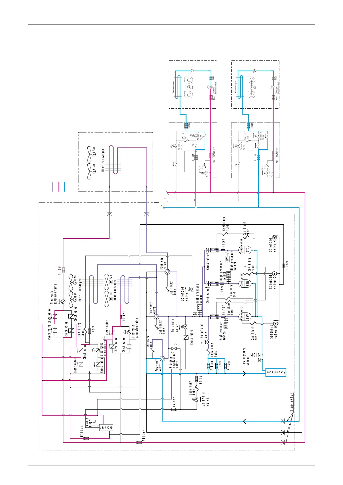
Refrigerant System Diagram Si33-105
42 Function R407C PLUS Series Heat Recovery System
1.3.4 Oil Return Operation-Discharge (at Heating and Simultaneous
Cooling / Heating Operation or Defrost Operation)
Cooling operation indoor unit
Heating operation indoor unit
BS unit
BS unit
Main unit
Sub unit
Hex.3
(Y3E)
20E3
Hex. 1
20E1(Y1E)
Hex. 2
20S1(Y1R)
20S2
(R1R)
Y5S
(3D031938-5)
20E2
(Y2E)
20S3
(Y3R)
Note) This diagram shows a suction operation, and refer to the outline
control for the details of oil return and defrosting operation.
High pressure & high temperature gas refrigerant
High pressure & high temperature liquid refrigerant
Low pressure & low temperature liquid & gas refrigerant

Table of Contents

Related product manuals