EasyManua.ls Logo

Daikin R407C PLUS - Page 54

Daikin R407C PLUS
267 pages
Print Icon
To Next Page IconTo Next Page
To Next Page IconTo Next Page
To Previous Page IconTo Previous Page
To Previous Page IconTo Previous Page
Loading...
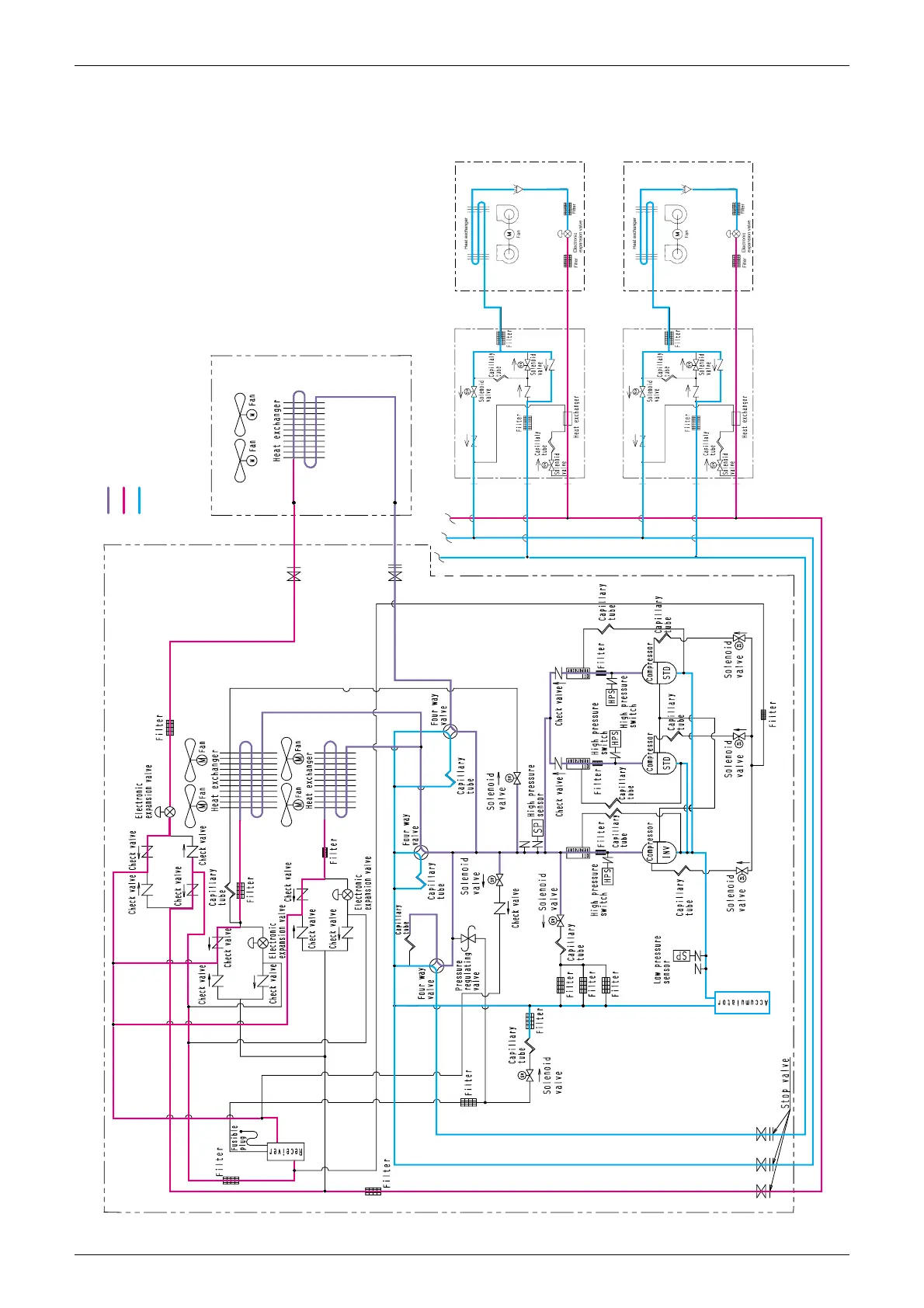
Si33-105 Refrigerant System Diagram
Function R407C PLUS Series Heat Recovery System 43
1.3.5 Oil Return Operation-Suction (at Cooling and Heating and
Simultaneous Cooling / Heating Operation or Defrost Operation)
Indoor unit
Indoor unit
BS unit
BS unit
Main unit
Sub unit
Hex.3
(Y3E)
20E3
Hex. 1
20E1(Y1E)
0 pls
0 pls
20E2
(Y2E)
Hex. 2
20S1(Y1R)
20S2
(R1R)
20S3
(Y3R)
Y5S
(3D031938-4)
High pressure & high temperature gas refrigerant
High pressure & high temperature liquid refrigerant
Low pressure & low temperature liquid & gas refrigerant

Table of Contents

Related product manuals