EasyManua.ls Logo

Daikin VHF - Cabinet Configurations

Daikin VHF
64 pages
Print Icon
To Next Page IconTo Next Page
To Next Page IconTo Next Page
To Previous Page IconTo Previous Page
To Previous Page IconTo Previous Page
Loading...
Cabinet Configurations
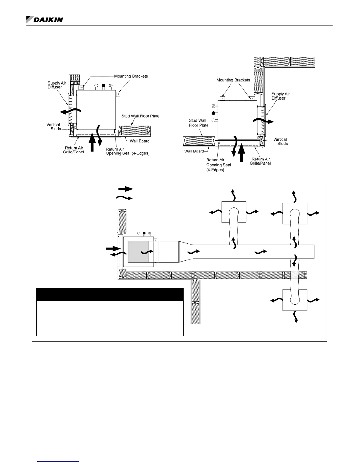
Figure 14: Typical framing & discharge arrangements
= Return Air
= Discharge Air
Typical Ducted
Application
Double Side Discharge
NOTICE
Top air discharge units will require turning vanes and/
or a volume damper for proper air ow and balancing, to
minimize turbulence. These components must be eld-
installed and furnished in accordance with SMACNA
guidelines.
Note: All ducted applications require a unit that utilize an EC motor
IM 986-11 • Vertical Stack WSHP 14 www.DaikinApplied.com

Table of Contents

Related product manuals