EasyManua.ls Logo

Danfoss VLT HVAC - Page 16

Danfoss VLT HVAC
200 pages
Print Icon
To Next Page IconTo Next Page
To Next Page IconTo Next Page
To Previous Page IconTo Previous Page
To Previous Page IconTo Previous Page
Loading...
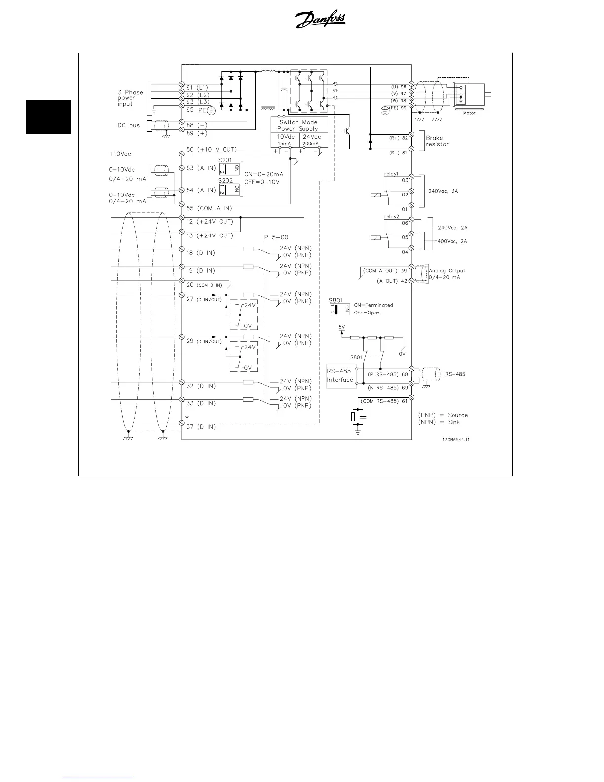
Illustration 2.1: Diagram showing all electrical terminals. (Terminal 37 present for units with Safe Stop Function only.)
2 Introduction to VLT HVAC Drive VLT
®
HVAC Drive Design Guide
16
MG.11.B9.02 - VLT
®
is a registered Danfoss trademark
2

Table of Contents

Other manuals for Danfoss VLT HVAC

Related product manuals