EasyManua.ls Logo

Datascope Accutorr Plus - Page 20

Datascope Accutorr Plus
97 pages
Print Icon
To Next Page IconTo Next Page
To Next Page IconTo Next Page
To Previous Page IconTo Previous Page
To Previous Page IconTo Previous Page
Loading...
CPU/NIBP Module Assembly with LCD Display Theory of Operation
1 - 10 0070-10-0691 Accutorr Plus Service Manual
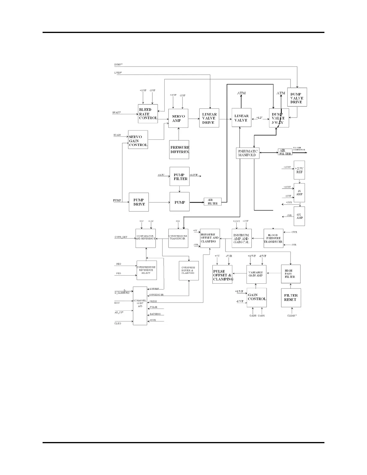
FIGURE 1-2 NIBP Block Diagram

Table of Contents

Related product manuals