EasyManua.ls Logo

Datascope Accutorr Plus - Temperature Interface; Spo 2 Interface

Datascope Accutorr Plus
97 pages
Print Icon
To Next Page IconTo Next Page
To Next Page IconTo Next Page
To Previous Page IconTo Previous Page
To Previous Page IconTo Previous Page
Loading...
Accutorr Plus Service Manual 0070-10-0691 1 - 9
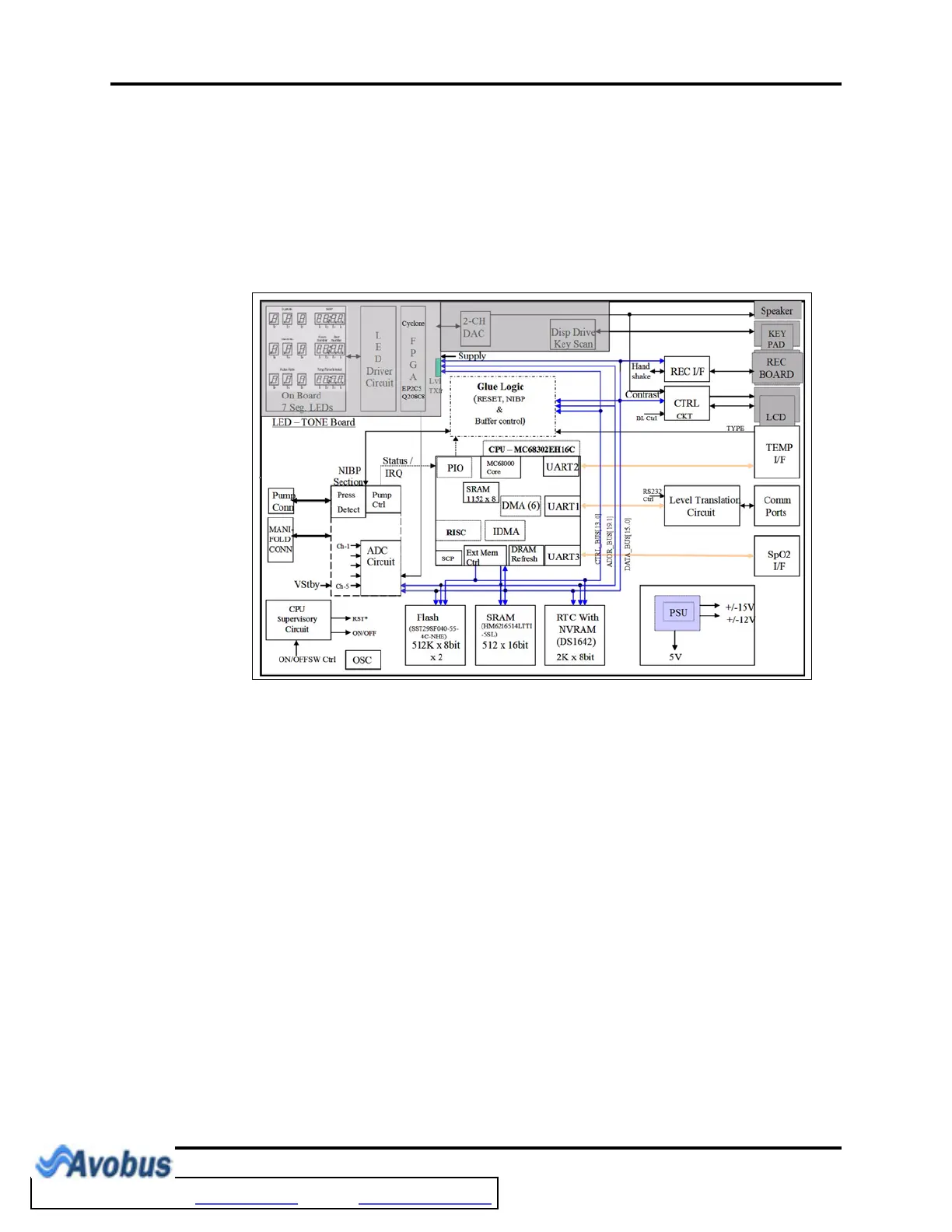
Theory of Operation CPU/NIBP Module Assembly with LCD Display
1.2.4.12 Temperature Interface
The board provides a Serial Interface to either Temperature module.
1.2.4.13 SpO
2
Interface
The board provides a Serial Interface to SPO
2
and reset control of the module.
FIGURE 1-1 CPU Block Diagram
To Purchase, Visit Avobus.com or call 1-800-674-3655

Table of Contents

Related product manuals