EasyManua.ls Logo

Datem Neptune 5000 - Page 44

Datem Neptune 5000
118 pages
Print Icon
To Next Page IconTo Next Page
To Next Page IconTo Next Page
To Previous Page IconTo Previous Page
To Previous Page IconTo Previous Page
Loading...
Technical Manual
44
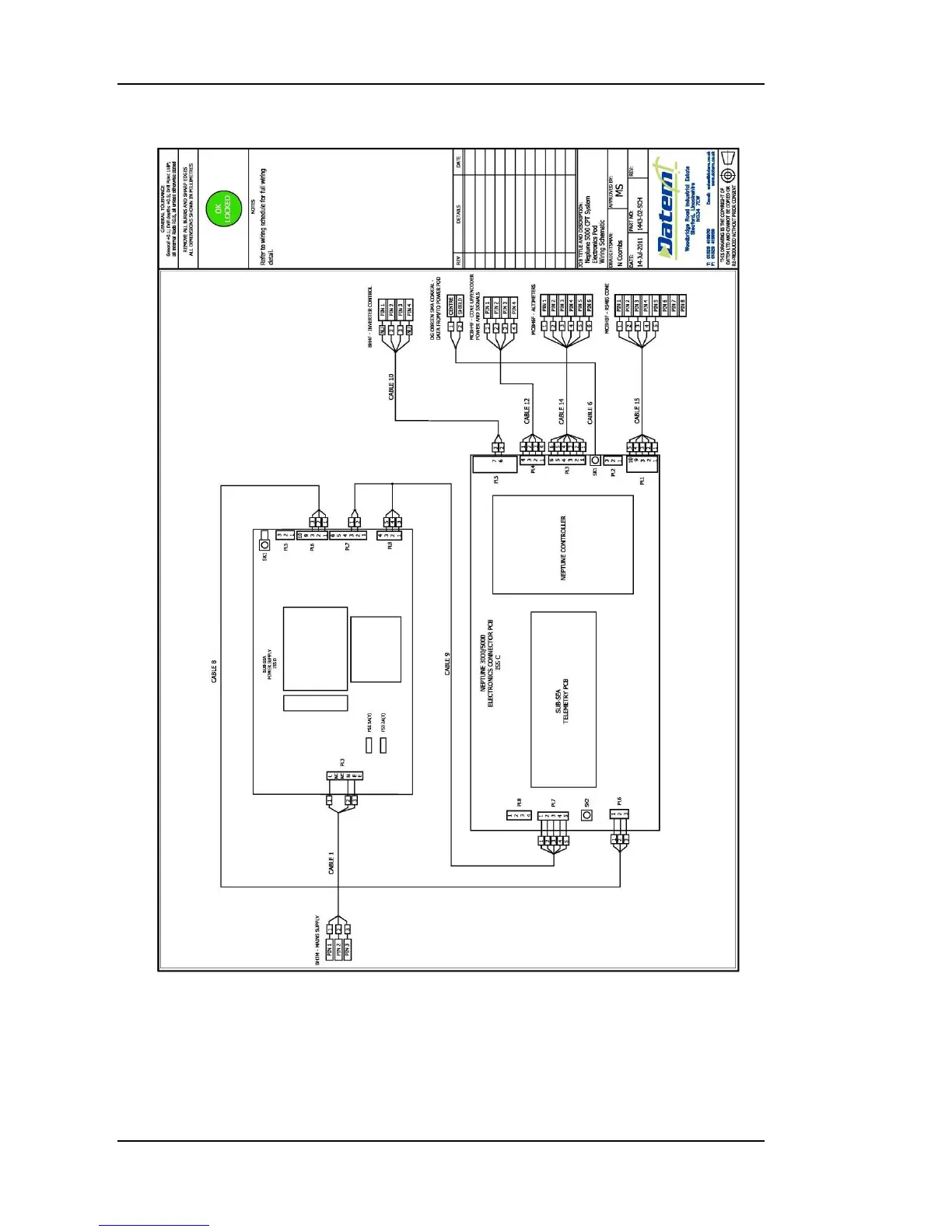
Figure 19: Neptune 5000 Electronics Pod Wiring Schematic

Table of Contents