EasyManua.ls Logo

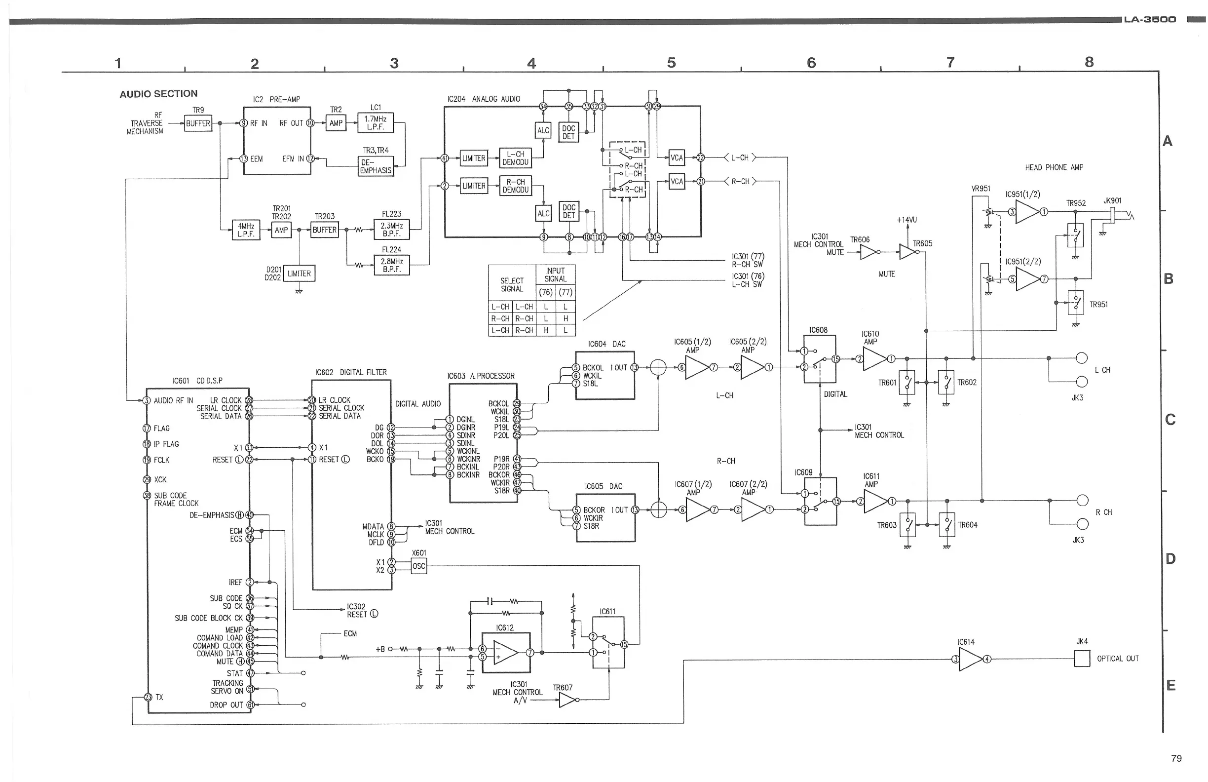
Denon LA-3500 - Audio Section

Denon LA-3500
92 pages
Print Icon
To Next Page IconTo Next Page
To Next Page IconTo Next Page
To Previous Page IconTo Previous Page
To Previous Page IconTo Previous Page
Loading...

Table of Contents