EasyManua.ls Logo

DEWESOFT SIRIUS - MSI-TH-X

DEWESOFT SIRIUS
172 pages
Print Icon
To Next Page IconTo Next Page
To Next Page IconTo Next Page
To Previous Page IconTo Previous Page
To Previous Page IconTo Previous Page
Loading...
SIRIUS®
Storage Temperature -30 °C to +85 °C
Operating Temperature -5 °C to +60 °C
Relative humidity (MIL202): 0 to 95 % at 60 °C, non-condensing
RFI susceptibility ±0.5 % span error at 400 MHz, 5 W, 3 m
Table 36: MSI Environmental Specifications
7.1.3 MSI-TH-x
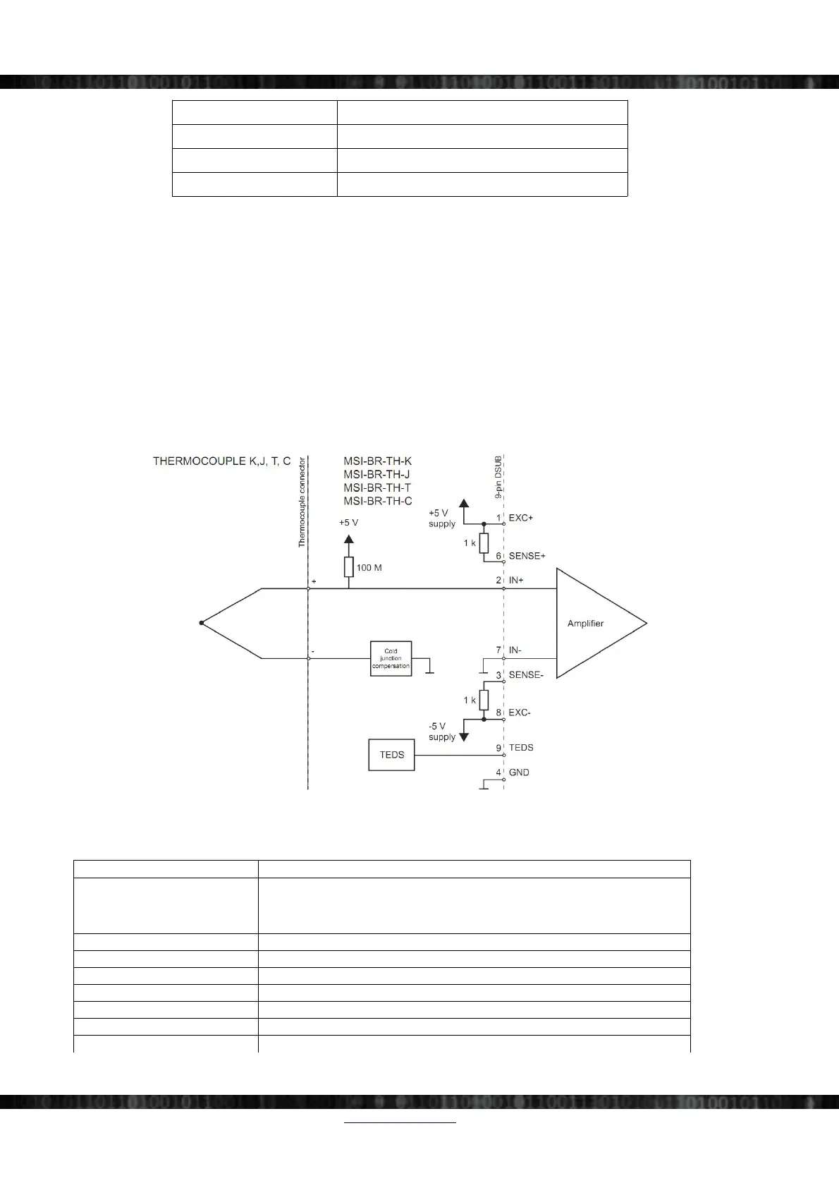
The MSI-TH-x allows thermocouple temperature measurement with Siriusx modules (also DEWE-43 and
DS-MINITAUR). The common thermocouples types K, J and T are supported. For high temperature application also
type C is supported. A high precision cold junction compensation is included in the adapter.
The non-linearity of the thermocouple is compensated for in software. A TEDS chip (transducer electronic data-sheet)
provides automatic adapter identification by software and the calibration data.
In operation with the isolated SIRIUSi modules you will get fully isolated thermocouple amplifier. In operation with
the differential SIRIUS® modules (or DEWE-43/DS-MINITAUR) only isolated thermocouples should be used, because
the thermocouple input is single ended.
Illustration 190: Basic circuit design of MSI-TH-x
7.1.3.1 MSI-TH-x Specifications
Sensor connection 1 m cable with standard miniature thermocouple connector according to TC type
Thermocouple Types
MSI-TH-K: Type K
MSI-TH-J: Type J
MSI-TH-T: Type T
MSI-TH-C: Type C
Cold junction compensation Integrated
CJC accuracy 1.0°C
Input impedance > 10 MΩ
BIAS current 50nA
Open TC detection Yes
Linearisation Through software according to the sensor type
TEDS For adapter identification and calibration data
Table 37: MSI-TH-x Specifications
Page 138/166 www.dewesoft.com Doc-Version: 1.4.2
DEWESoft® DEWESoft® DEWESoft® DEWESoft® DEWESoft® DEWESoft® DEWESoft® DEWESoft® DEWESoft® DEWESoft® DEWESoft® DEWESoft®
measurement innovation measurement innovation measurement innovation measurement innovation measurement innovation measurement innovation measurement innovation

Table of Contents

Related product manuals