EasyManua.ls Logo

Dodge 2000 DURANGO - Page 100

Dodge 2000 DURANGO
1054 pages
Print Icon
To Next Page IconTo Next Page
To Next Page IconTo Next Page
To Previous Page IconTo Previous Page
To Previous Page IconTo Previous Page
Loading...
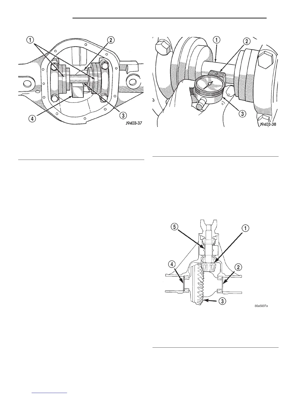
with the scooter block against the pinion height block
(Fig. 41). When the dial probe contacts the arbor bar,
the dial pointer will turn clockwise. Bring dial
pointer back to zero against the arbor bar, do not
turn dial face. Continue moving the dial probe to the
crest of the arbor bar and record the highest reading.
If the dial indicator can not achieve the zero reading,
the rear bearing cup or the pinion depth gauge set is
not installed correctly.
(9) Select a shim equal to the dial indicator read-
ing plus the drive pinion gear depth variance number
marked on the shaft of the pinion gear using the
opposite sign on the variance number. For example, if
the depth variance is –2, add +0.002 in. to the dial
indicator reading.
(10) Remove the pinion depth gauge components
from the axle housing
DIFFERENTIAL BEARING PRELOAD AND GEAR
BACKLASH
Differential side bearing preload and gear backlash
is achieved by selective shims inserted between the
bearing cup and the axle housing. The proper shim
thickness can be determined using slip-fit Dummy
Bearings 8398 in place of the differential side bear-
ings and a dial indicator C-3339. Before proceeding
with the differential bearing preload and gear back-
lash measurements, measure the pinion gear depth
and prepare the pinion for installation. Establishing
proper pinion gear depth is essential to establishing
gear backlash and tooth contact patterns. After the
overall shim thickness to take up differential side
play is measured, the pinion is installed, and the
gear backlash shim thickness is measured. The over-
all shim thickness is the total of the dial indicator
reading, starting point shim thicknesses, and the
preload specification added together. The gear back-
lash measurement determines the thickness of the
shim used on the ring gear side of the differential
case. Subtract the gear backlash shim thickness from
the total overall shim thickness and select that
amount for the pinion side of the differential (Fig.
42).
Fig. 40 Gauge Tools In Housing
1 ARBOR DISC
2 PINION BLOCK
3 ARBOR
4 PINION HEIGHT BLOCK
Fig. 41 Pinion Gear Depth Measurement
1 ARBOR
2 SCOOTER BLOCK
3 DIAL INDICATOR
Fig. 42 Axle Adjustment Shim Locations
1 PINION GEAR DEPTH SHIM
2 DIFFERENTIAL BEARING SHIM-PINION GEAR SIDE
3 RING GEAR
4 DIFFERENTIAL BEARING SHIM-RING GEAR SIDE
5 COLLAPSIBLE SPACER
3 - 50 C205F AXLE DN
ADJUSTMENTS (Continued)

Table of Contents

Related product manuals