EasyManua.ls Logo

Dodge 2000 DURANGO - Page 719

Dodge 2000 DURANGO
1054 pages
Print Icon
To Next Page IconTo Next Page
To Next Page IconTo Next Page
To Previous Page IconTo Previous Page
To Previous Page IconTo Previous Page
Loading...
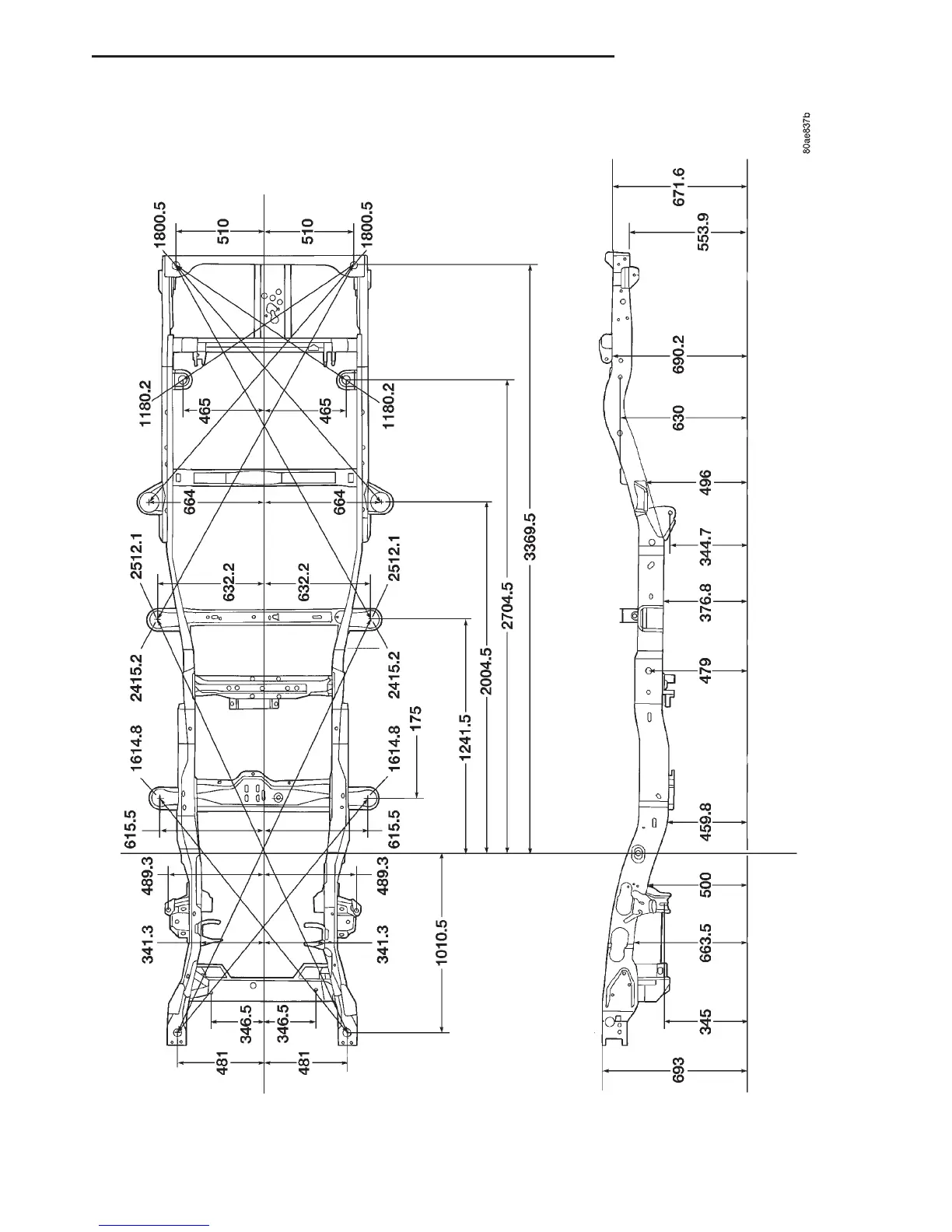
DN FRAME AND BUMPERS 13 - 9
SPECIFICATIONS (Continued)

Table of Contents

Related product manuals