EasyManua.ls Logo

Dodge 2000 DURANGO - Page 903

Dodge 2000 DURANGO
1054 pages
Print Icon
To Next Page IconTo Next Page
To Next Page IconTo Next Page
To Previous Page IconTo Previous Page
To Previous Page IconTo Previous Page
Loading...
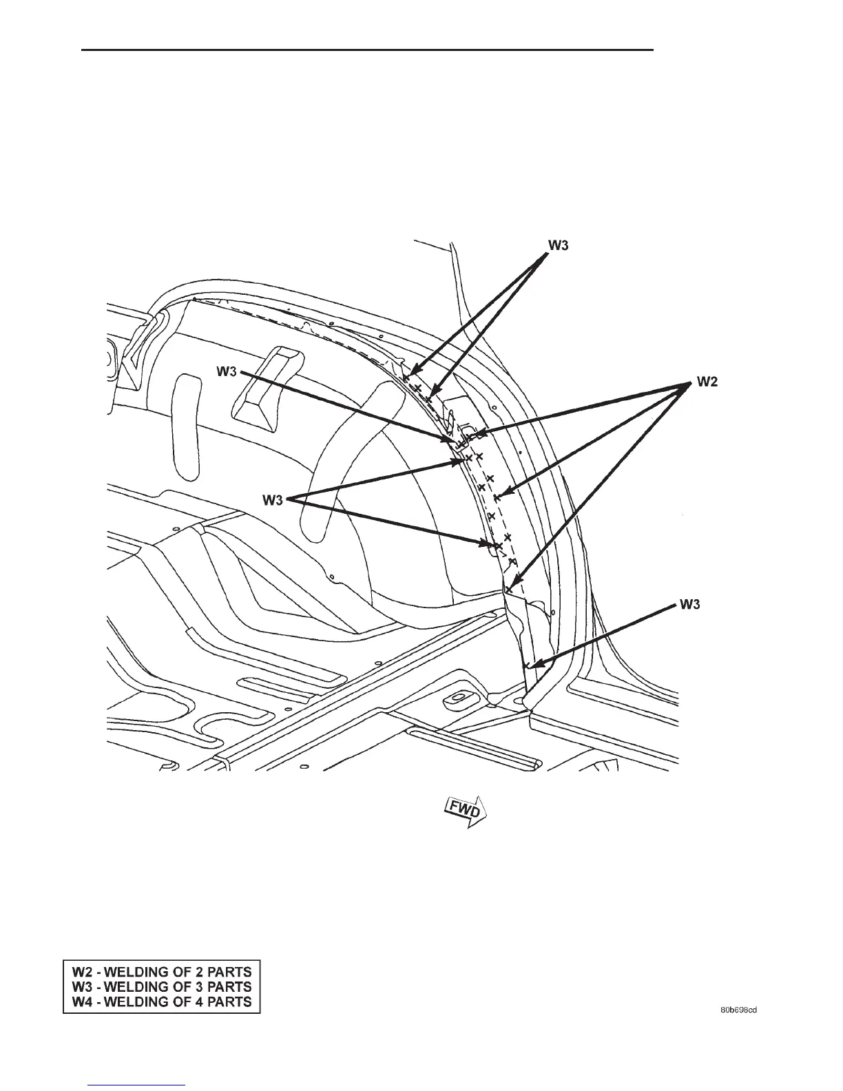
FLOOR PAN
DN BODY 23 - 95
SPECIFICATIONS (Continued)

Table of Contents