EasyManua.ls Logo

Dodge 2000 DURANGO - Page 916

Dodge 2000 DURANGO
1054 pages
Print Icon
To Next Page IconTo Next Page
To Next Page IconTo Next Page
To Previous Page IconTo Previous Page
To Previous Page IconTo Previous Page
Loading...
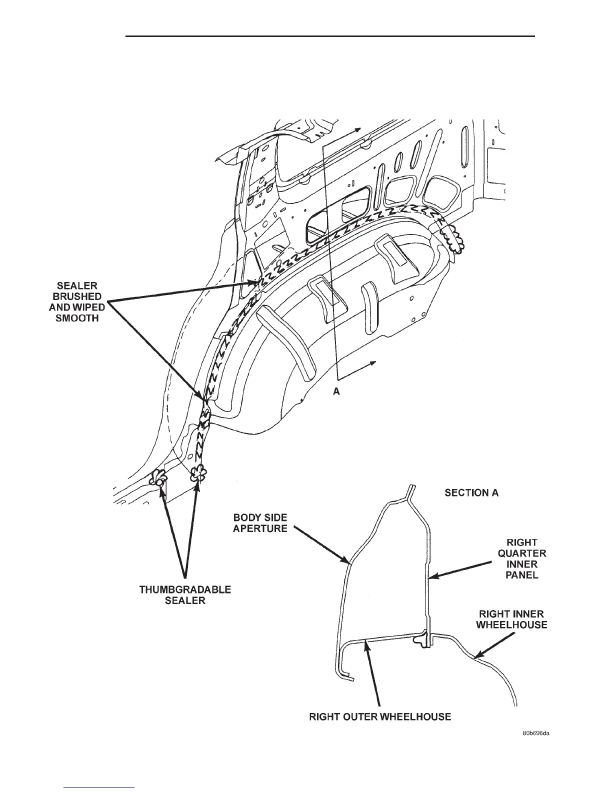
RIGHT OUTER WHEELHOUSE
23 - 108 BODY DN
SPECIFICATIONS (Continued)

Table of Contents