EasyManua.ls Logo

Doosan DE12T - Page 160

Doosan DE12T
175 pages
Print Icon
To Next Page IconTo Next Page
To Next Page IconTo Next Page
To Previous Page IconTo Previous Page
To Previous Page IconTo Previous Page
Loading...
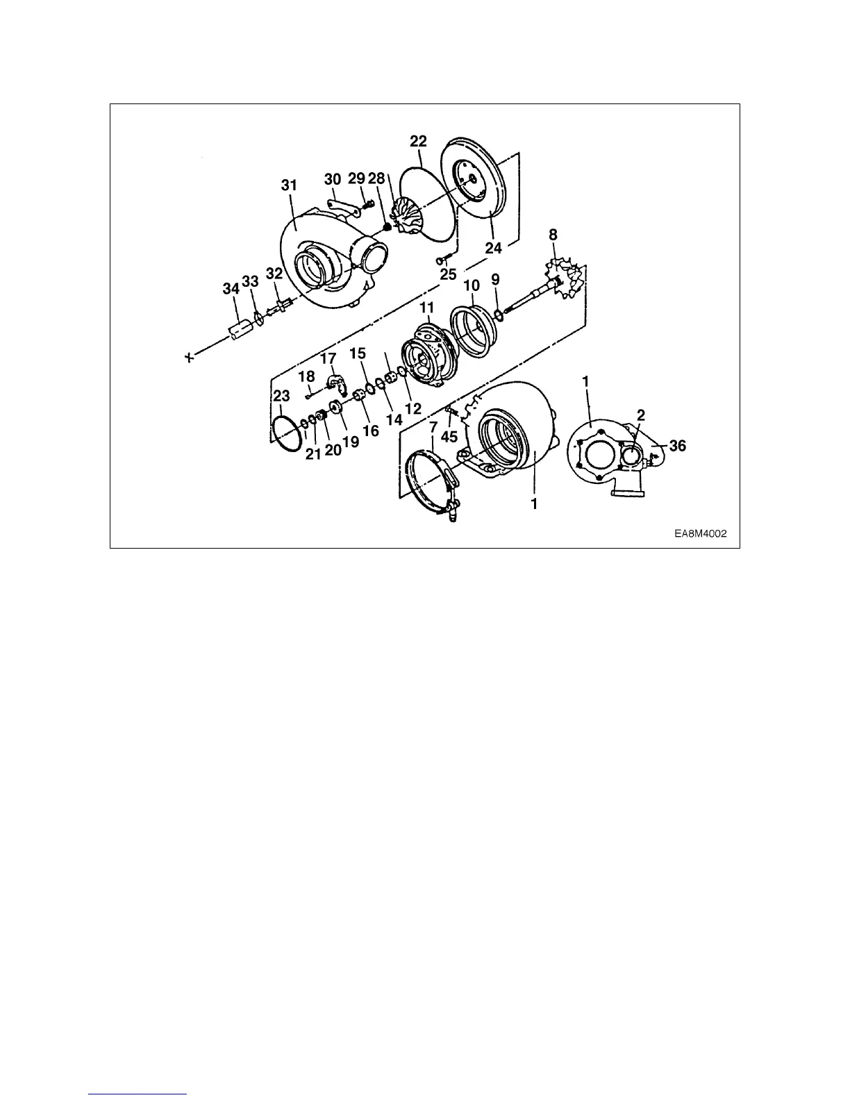
3) Construction
- 156 -
1. Turbine housing 15. Retainer ring 25. Bolt
2. Plug 16. Bearing 26. O-ring
5. Crank 17. Thrust collar 27. Compressor wheel
7. V-band 18. Screw 28. Nut
8. Wheel 19. Thrust bearing 29. Bolt
9. Piston ring 20. Thrust space 30. Clamp
10. Wheel shroud 21. Piston ring 31. Compressor housing
11. Center housing 22. Seal ring 32. Elbow
12. Retainer ring 23. Seal ring 38. Retainer
13. Bearing 24. Rear plate 45. Bolt
14. Retainer ring

Table of Contents

Related product manuals