EasyManua.ls Logo

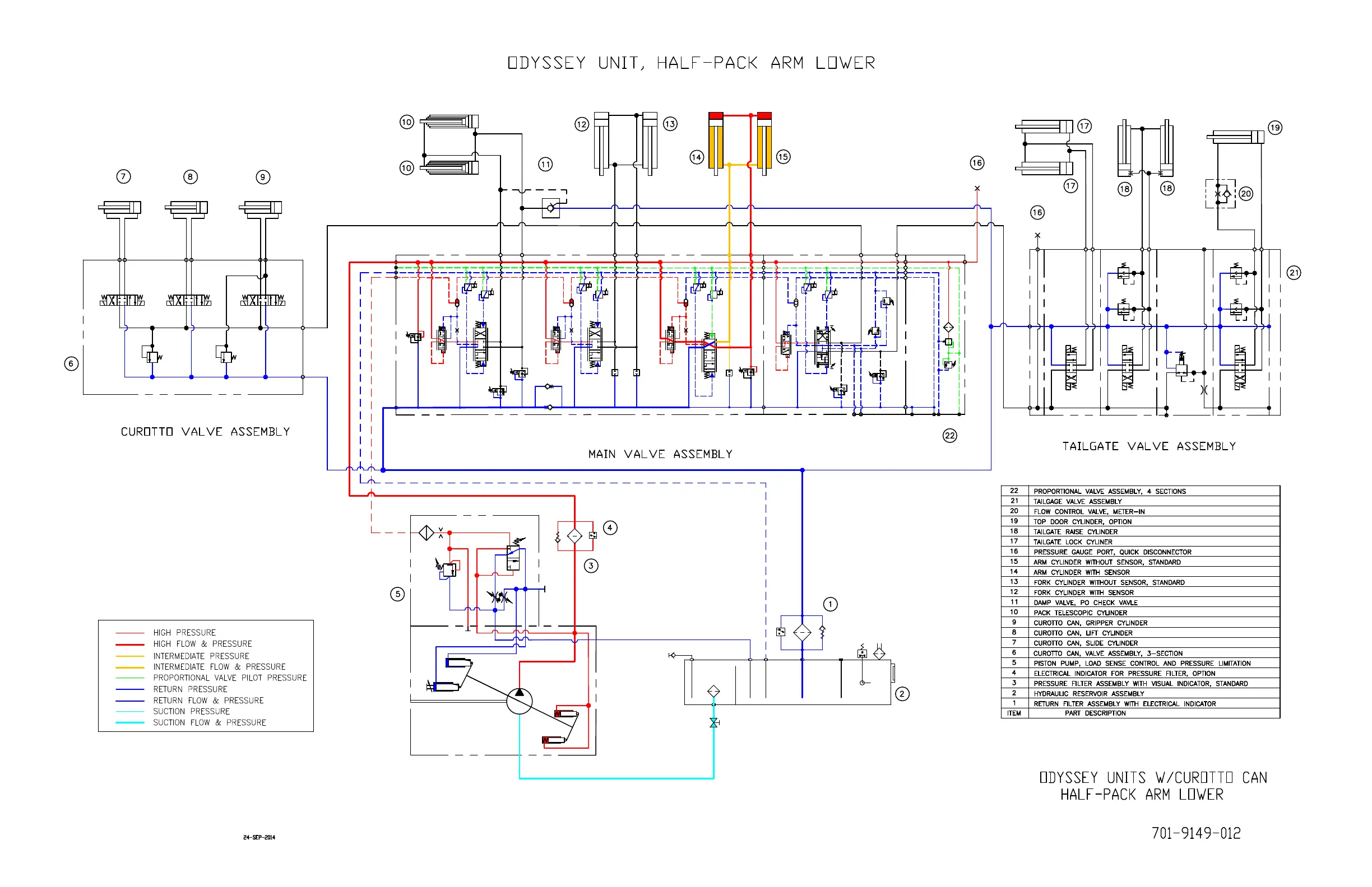
Dover HEIL Half/Pack Factor AFL - Odyssey Hydraulic Flow Chart - Curotto Lift Lower and Slide out - 701-9149-009

Dover HEIL Half/Pack Factor AFL
257 pages
Print Icon
To Next Page IconTo Next Page
To Next Page IconTo Next Page
To Previous Page IconTo Previous Page
To Previous Page IconTo Previous Page
Loading...
T
Y
LS1
P
b
a
A1
B1 A2
B2
B3A3
30 psi
5 psi
2000
1250
T1
LSz
Y
X
Mb Ma
2400 psi
2400
2000 psi
a a
2000 psi
PACKER CYL. FORK CYL.
B4A4
Packer
Retract / Extend
Forks
Raise / Lower
Arms
Raise / Lower
Curotto / Tailgate
ARM CYL.
psi
2800
2650 psi
psi
psi
psi
S
L
LS
P
LS
P R A A
ST
(OPTION)
ELECTRICAL INDICATOR
T/G LOCK CYL.
1300 psi
1300 psi
A2
B2
T/G RAISE CYL.
A1
B1
P
T
(OPTION)
725 psi
580 psi
A3
B3
TOP DOOR CYL.
500 psi
DUMP VALVE
Flow Control
P2
PG 1
PRESSURE FILTER
PUMP
PG 2
psi
2500
b b
a
b1
a1
b2
a2
b3
a3
b
Slide
In / Out
Lift
Lower / Raise
Gripper
Open / Close
2200
psi
psi
1800
P
T
GRIPPER CYL.
LIFT CYL.SLIDE CYL.
B1
A1
B2
A2
B3
A3
b1
a1
b2
a2
b3
a3
Tailgate Lock
Lock / Unlock
Tailgate
Lower / Raise
Top Door
Open / Close

Table of Contents