EasyManua.ls Logo

Electrolux EWM 3000 - Circuit diagram

Electrolux EWM 3000
59 pages
Print Icon
To Next Page IconTo Next Page
To Next Page IconTo Next Page
To Previous Page IconTo Previous Page
To Previous Page IconTo Previous Page
Loading...
- 46 -
599 51 13-50 EN
DGS-TDS-N 11.2004 C.D. © Electrolux
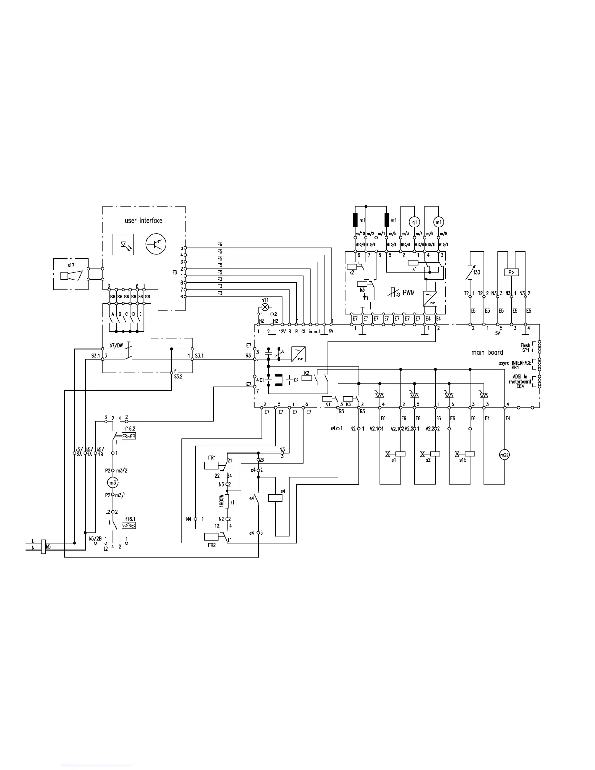
14.2 Circuit diagram
Valve
Prewash Mainwash Bleach Softener
S1 S2 S15 S1+S2

Table of Contents

Related product manuals