EasyManua.ls Logo

Electron E-ROBOT+3 Series - Mechanical Unit Panel Scheme

Default Icon
68 pages
Print Icon
To Next Page IconTo Next Page
To Next Page IconTo Next Page
To Previous Page IconTo Previous Page
To Previous Page IconTo Previous Page
Loading...
63
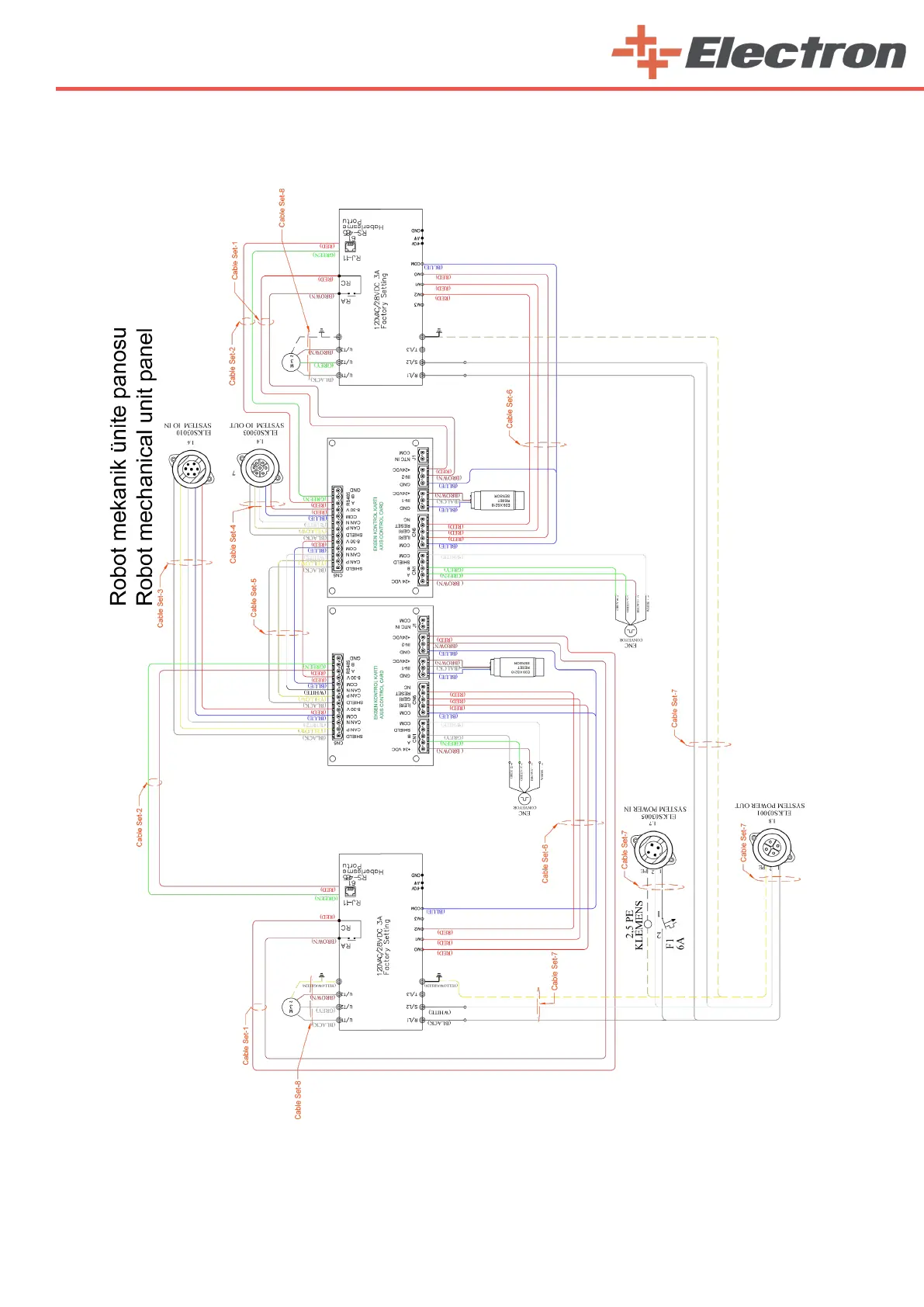
13.2 Electrical Scheme of E- Robot+3 Z Mechanical Unit Panel

Table of Contents