EasyManua.ls Logo

Elenco Electronics EP-130 - Op Amp Metronome

Elenco Electronics EP-130
160 pages
Print Icon
To Next Page IconTo Next Page
To Next Page IconTo Next Page
To Previous Page IconTo Previous Page
To Previous Page IconTo Previous Page
Loading...
-11
0
-
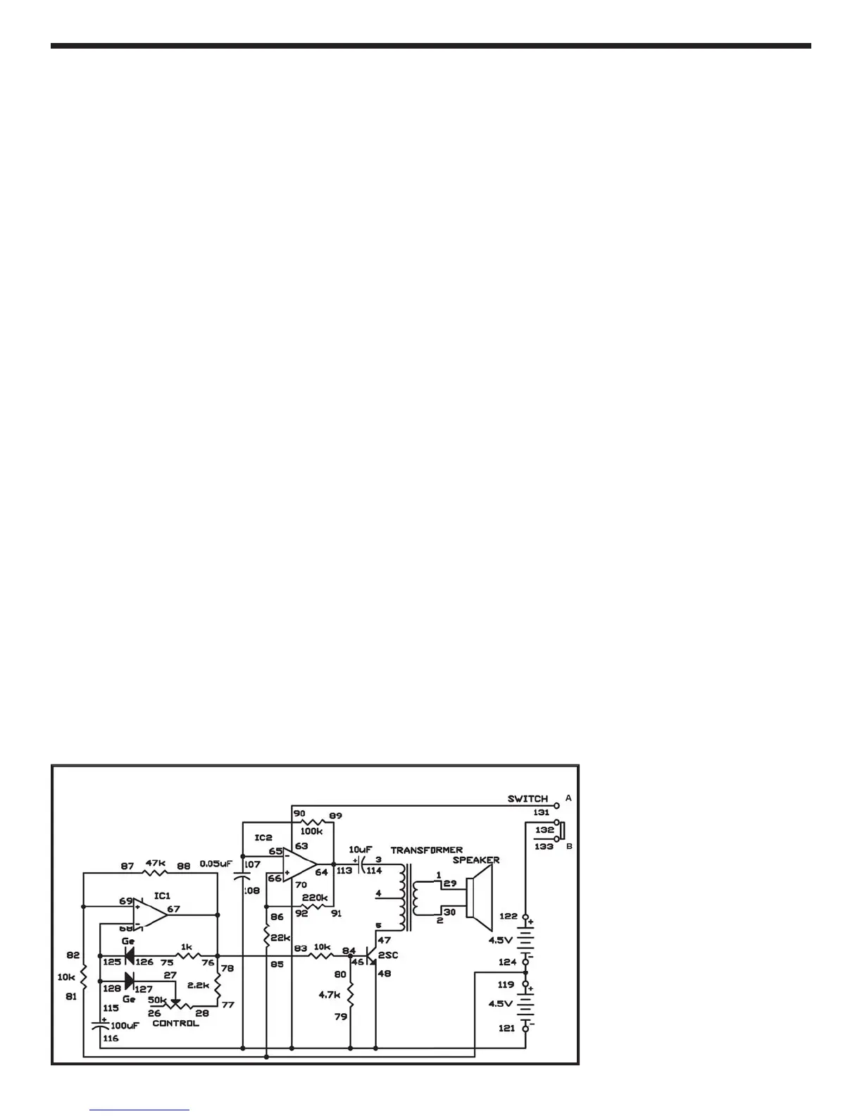
This is the operational amplifier version of th
e
electronic metronome from Project 3 (“Electroni
c
M
etronome”). Slide the switch to position B, an
d
connect the wires carefully - this project is mor
e
intricate than most of the others. When you complet
e
assembling the circuit, set the control to the 1
2
o’clock position, and slide the switch to position A t
o
turn on the power. You’ll hear a pip noise
f
rom th
e
speaker at
ixed intervals. Now gradually rotate th
control clockwise, and the beats come
f
aster.
Now observe the schematic. IC 1 and IC 2 are use
d
as asta
bl
e mu
l
t
i
v
ib
rators, as
i
n our
l
ast exper
i
ment
.
But you’ll notice that I
C
1 uses diodes to generate
short pulses and the control is used to modi
f
y th
e
s
p
eed of the
p
ulses. The transistor turns on eac
h
time a pulse is
g
enerated, and creates a sound
.
No
t
es
:
EXPERIMENT #
9
1:
O
P AMP METR
O
N
O
M
E
Wiring
S
equence:
1-2
9
2
-
30
3
-114
5-
4
7
27-127
28
-77
4
6-80-84
79
-7
0
-
108
-
116
-
48
-
121
6
3-131
8
9-91-113-6
4
65
-
90
-1
0
7
8
6-92-66
7
8-76-83-88-6
7
6
8-115-125-128
82
-
8
7-
69
75
-12
6
85
-
81
-
119
-
124
122-1
3
2
Schematic

Table of Contents

Related product manuals