EasyManua.ls Logo

Elenco Electronics EP-130 - OR GATE Using TTL

Elenco Electronics EP-130
160 pages
Print Icon
To Next Page IconTo Next Page
To Next Page IconTo Next Page
To Previous Page IconTo Previous Page
To Previous Page IconTo Previous Page
Loading...
-53-
One of the cool things about the quad two-input
NAND IC is that to make up other logic circuits all we
have to do is combine the four NAND gates. In our
last two projects you have been shown how you are
able to use NANDs to make up some other logic
circuits. In this project you will be shown how to make
up an OR gate from the NAND gates.
Can you trace what happens from each input to the
eventual output from just looking at the schematic?
(Of course you can, just try it.)
Keep the switch set to B, as you work on this project.
Connect terminals 13 and 14 when you’ve finished.
Now press the key. What happens to LED 1? Set the
switch to A and release the key. What happens to
LED 1 now? Press the key again while keeping the
switch at A and press the key again. Are there any
changes in LED 1?
You see that this circuit acts like other OR gates
you’ve experimented with. The output to the LED is
1 if at least one or the other of the inputs is 1. Have
you tried tracing what happens from input to output
yet? The explanation is in the next paragraph.
Say you press the key with the switch set to B. This
enters 1 as both inputs of the NAND, thus causing
the NAND’s output to become 0. This 0 output is one
of the inputs to the NAND gate controlling the LED.
Since a NAND’s output is 0 only if all inputs are 1,
then the 0 input causes the NAND’s output to go to
1, and LED 1 lights!
Notes:
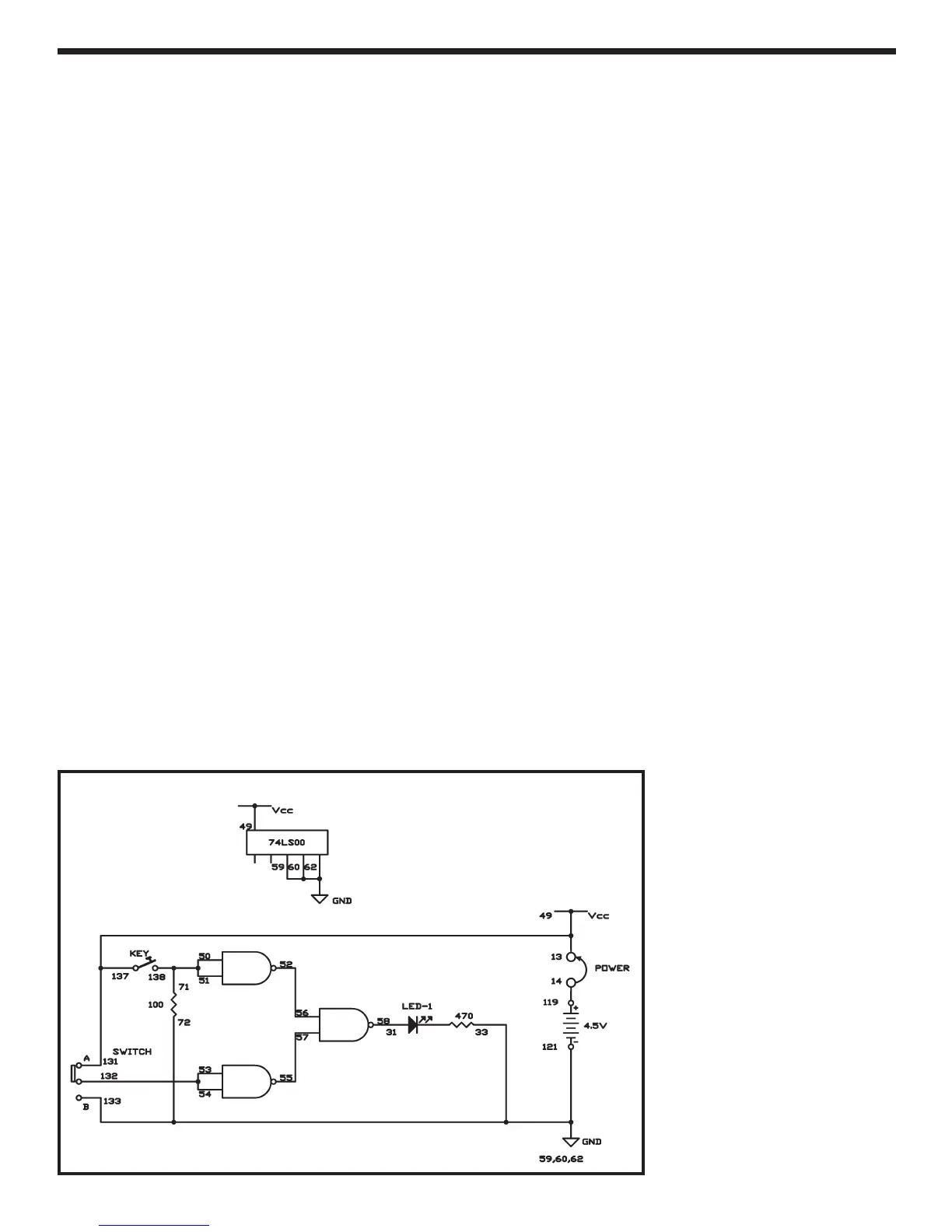
EXPERIMENT #37: “OR” GATE USING TTL
Wiring Sequence:
o 13-49-131-137
o 14-119
o 31-58
o 72-59-60-62-33-133-121
o 50-51-71-138
o 52-56
o 53-54-132
o 55-57
o 13-14 (POWER)
Schematic
-108-
The sirens in Projects 88 and 89 (“Sweep Oscillator”
and “Falling Bomb”, respectively) adjust the pitch
only in one direction. This circuit makes a low sound
that becomes higher, and goes back to its original
low sound. The siren sounds only when you press
the key.
Set the switch to position B and build the circuit. Turn
on the siren by sliding the switch to position A. When
you press the key, the siren starts over at the original
low pitch. Do you hear the siren sound change pitch?
Does it do so as you expected? IC 1 is an oscillator
that produces a triangular signal when you press the
key. Then the output is sent to IC 2, which acts as an
astable multivibrator.
See how the pitch changes when you set C to
0.02μF and then to 0.1μF.
Notes:
EXPERIMENT #89: ALERT SIREN
Wiring Sequence:
o 1-29
o 2-30
o 3-116
o 5-70-108-137-121
o 80-63-132
o 64-90-92-115
o 65-89-107
o 66-82-91
o 81-67-118
o 78-79-68-117
o 69-119-124
o 77-138
o 122-131
Schematic

Table of Contents

Related product manuals