EasyManua.ls Logo

Elenco Electronics EP-130 - EXPERIMENT #97: VOICE POWER METER

Elenco Electronics EP-130
160 pages
Print Icon
To Next Page IconTo Next Page
To Next Page IconTo Next Page
To Previous Page IconTo Previous Page
To Previous Page IconTo Previous Page
Loading...
-
117
-
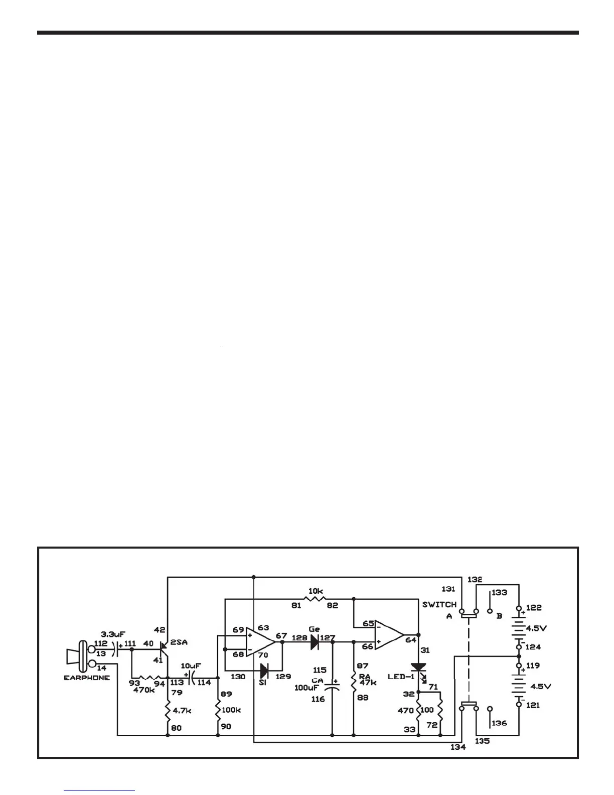
In this experiment, you will create a voice input powe
r
meter. The bri
g
htness of the LED in this circui
t
changes according to the level of voice input tha
t
comes from the microphone (the earphone).
S
ince
voice levels chan
g
e quickly, the bri
g
htness of the LE
D
should also adjust quickly. In order to show th
e
hi
g
hest voice input levels, we use a circuit called
a
pea
k
-
l
eve
l
h
o
ld
c
i
rcu
i
t.
Thi
s a
ll
ows t
h
e
LED
to
h
o
ld
certain brightness a
f
ter it reaches peak strength
,
rather than turnin
g
o
ff
immediately.
Build the circuit, and set the switch to position A. Yo
u
will use the earphone as a microphone. Speak loudl
y
or blow strongly into the earphone. You can see th
e
LED
g
et bri
g
hter temporarily and then
g
radually
g
ro
w
d
imm
e
r
.
Study the schematic. You can see that the signal fro
m
the earphone travels throu
g
h the PNP transistor an
d
then becomes the positive
(
+
)
input for the firs
t
operational amplifier. The output level of the firs
t
o
p
erational am
p
lifier is stored in the 100mF ca
p
acitor
,
and slowly discharges through the 47k
Ω
k
k
r
esistor. The
LED
gets
di
m as t
h
e vo
l
tage on t
h
e capac
i
to
r
decreases. The volta
g
e that li
g
hts the LED is also
f
e
d
back to the negative
(
-
)
input of the first operational
amplifier, where it is compared to the signal from the
earphone. I
f
the si
g
nal
f
rom the earphone is lar
g
er, i
t
c
h
arges t
h
e 100m
F
capac
i
tor; ot
h
erw
i
se t
h
ere
i
s no
output
f
rom it.
You can modify the brightness of the LED b
y
chan
g
in
g
resistor RA (47
k
Ω
)
or the ca
p
acitor C
A
(
10
0
μ
F
).
No
t
es
:
EXPERIMENT #
9
7: V
O
I
C
E P
O
WER METER
Wirin
g
Sequence
:
1
12-1
3
-EARPH
O
N
E
1
1
9
-124-11
6
-
33
-
88
-
90
-
80
-72-14-EARPH
O
N
E
31
-
6
5-
64
-
82
32-71
93
-111-4
0
79
-
9
4-11
3
-4
1
63
-
42
-
131
87-66-127-11
5
6
7-12
9
-12
8
8
1-
68
-1
30
89
-
69
-
114
70
-1
34
1
21-1
35
122
-
132
Schemati
c

Table of Contents