EasyManua.ls Logo

Elenco Electronics EP-130 - Inverting Dual Supply Op Amp

Elenco Electronics EP-130
160 pages
Print Icon
To Next Page IconTo Next Page
To Next Page IconTo Next Page
To Previous Page IconTo Previous Page
To Previous Page IconTo Previous Page
Loading...
-
9
2-
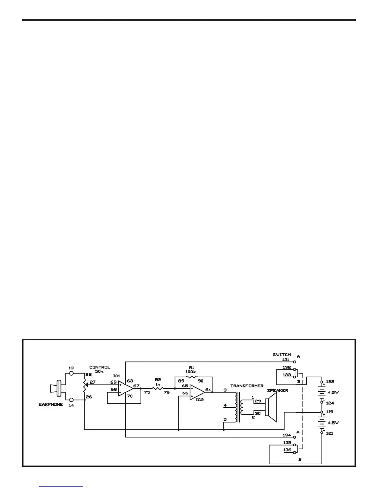
This is another two-power source microphone
amplifier, but this one is an invertin
g
amplifier. Yo
u
w
ill
use t
h
e earp
h
one as a m
i
crop
h
one aga
i
n
.
Slide the switch to
p
osition B and construct th
e
circuit.
O
nce you finish the wirin
g
, slide the switch t
o
position A to turn the power on, ad
j
ust the control
clockwise, and s
p
eak into the
micro
p
hone” – th
e
earphone. This project works just like the precedin
g
one
.
IC 2 is an inverting amplifier and IC 1 is used as
a
buffer between the ear
p
hone and IC2, and has
a
gain of 1. I
C
2 is an inverting amplifier, with the inpu
t
applied throu
g
h its ne
g
ative (–) terminal, not the
positive (+) one as in our last project. IC2’s gain is
about 100, as determined by:
R1/R2 = 100k/1k=100.
I
f
you increase R1 or decrease R2, the
g
ain become
s
larger.
S
ee what occurs to the gain when you alte
r
the value of R2 to 470.
N
otes:
EXPERIMENT #7
3
: INVERTIN
G
D
U
AL
SU
PPLY
O
P AM
P
Wiring
S
equence
:
1
-2
9
2-
30
3
-
64
-
90
27-6
9
63
-1
31
65
-
89
-7
6
68
-
6
7-7
5
7
0
-1
34
1
21-1
35
1
22-1
32
1
24-119-26-66-5-14-EARPHON
E
2
8
-1
3
-EARPH
O
NE
S
chemati
c

Table of Contents

Related product manuals