EasyManua.ls Logo

Elenco Electronics EP-130 - NAND Gate Making a Toggle Flip-Flop

Elenco Electronics EP-130
160 pages
Print Icon
To Next Page IconTo Next Page
To Next Page IconTo Next Page
To Previous Page IconTo Previous Page
To Previous Page IconTo Previous Page
Loading...
-59-
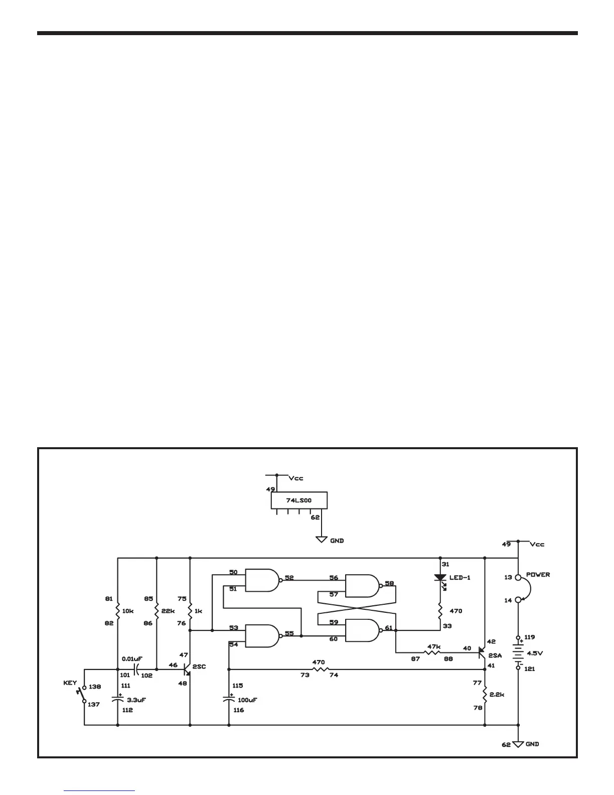
If you are thinking that the NAND gate is a truly
versatile circuit, well then your right! This experiment
is a toggle flip-flop circuit made by using four NAND
gates.
When you have finished building this circuit, connect
terminals 13 and 14 in order to turn the power on.
Slowly press the key several times. You will notice
that each time the key is pressed the LED 1 turns on.
Now it is time to put on your thinking cap and try to
trace what occurs from the key input to LED 1. Two
out of the four NANDs function as a R-S flip-flop. See
if you can figure out what the other NANDs are
doing.
This circuit is known as inverter because it takes the
inputs and reverses them.
Notes:
EXPERIMENT #43: “NAND” GATE MAKING A TOGGLE FLIP-FLOP
Wiring Sequence:
o 13-75-85-81-49-31-42
o 14-119
o 33-57-61-87
o 40-88
o 41-74-77
o 46-102-86
o 47-53-50-76
o 78-62-48-112-116-137-121
o 51-55-60
o 52-56
o 73-54-115
o 58-59
o 82-101-111-138
o 13-14 (POWER)
Schematic
-102-
The digital LED can’t display all 26 letters of the
alphabet, but it’s possible to exhibit many of them.
Let’s make an LED display that intersperse shows
the initials E and P of our ELECTRONIC
PLAYGROUND. You can show other initials too.
Slide the switch to position B and construct the
circuit. Once you have completed the wiring, slide the
switch to position A to turn on the power, and you’ll
observe the letters E and P lighting alternately on the
LED display.
IC 1 works as an astable multivibrator and exhibits
the letter E. IC 2 is used as an inverter, with an output
that is opposite to that of IC 1; it displays the letter P.
Now that you’ve successfully displayed the letters E
and P, why not try showing other letters? It should be
easy if you take a close look at the schematic.
Notes:
EXPERIMENT #83: INITIALS ON LED DISPLAY
Schematic
Wiring Sequence:
o 22-17-18-19-63-131-81
o 20-65-67-90-94
o 21-64
o 83-114-70-25-121
o 66-69-82-84-89
o 93-68-113
o 119-124
o 122-132

Table of Contents

Related product manuals