EasyManua.ls Logo

Elenco Electronics EP-130 - LED Buzzin

Elenco Electronics EP-130
160 pages
Print Icon
To Next Page IconTo Next Page
To Next Page IconTo Next Page
To Previous Page IconTo Previous Page
To Previous Page IconTo Previous Page
Loading...
-88-
VIII. MEET THE OPERATIONAL AMPLIFIER
-73-
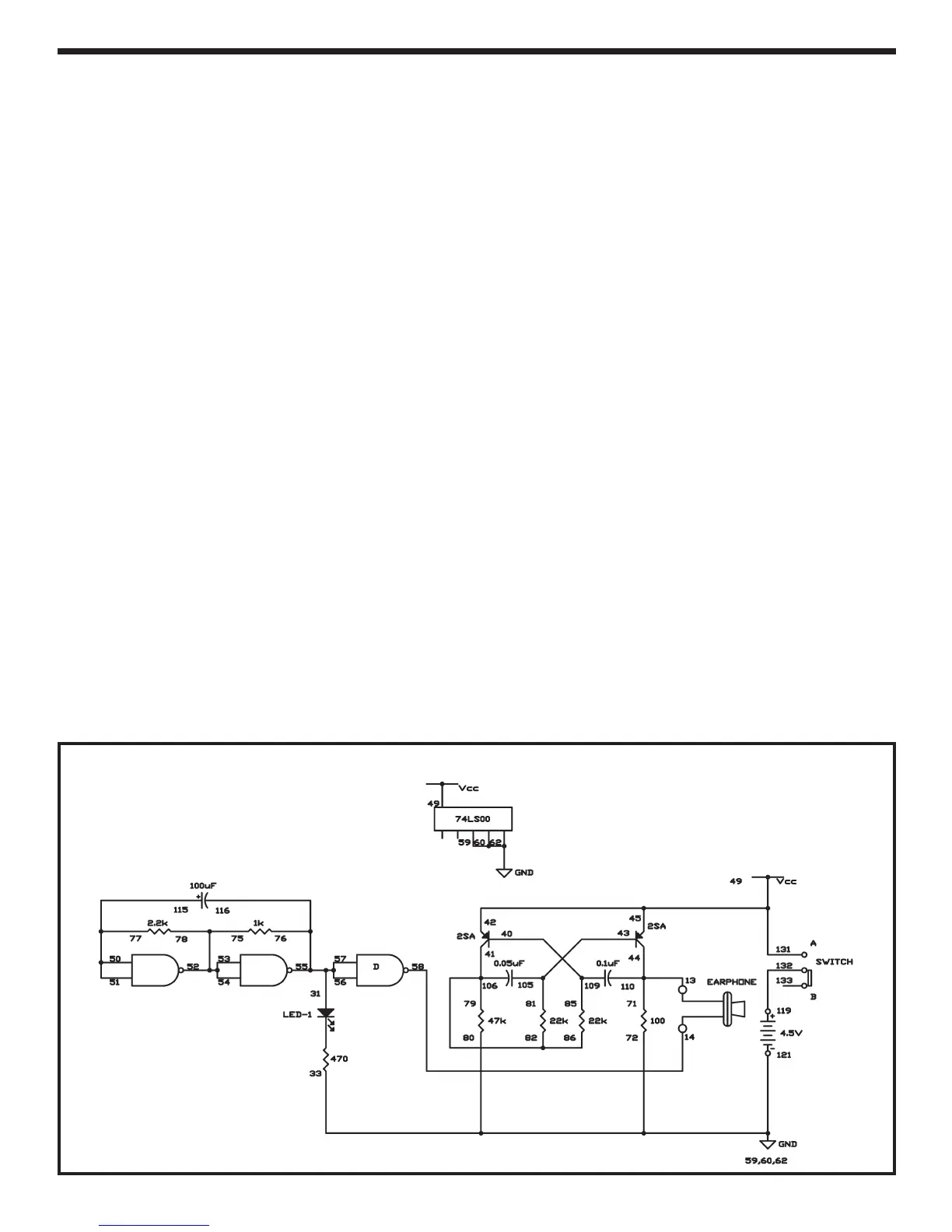
This is another circuit that uses both transistor and
NAND type multivibrators. As you hear a sound
through the earphone you see LED 1 light up.
Build the circuit, connect the earphone to terminals
13 and 14, and set the switch to position A. Each
time the LED lights up you’ll hear a pulse in the
earphone. Do you know why?
Trace the output from the NAND multivibrator to the
transistor multivibrator, assuming the output of the
NAND multivibrator is 0. Do you think the NAND
multivibrator affects the operation of the transistor
multivibrator? If you respond yes, how is it affected?
Try using other electrolytic capacitors in place of the
100
μ
F capacitor in the NAND multivibrator to see
what effects they have on the circuit. Next, try
changing the ceramic capacitors in the transistor
multivibrator to other ceramic ones.
By connecting the NPN transistor, the output
transformer, and maybe a resistor or two you can use
the speaker instead of the earphone.
Notes:
EXPERIMENT #56: LED BUZZIN’
Wiring Sequence:
o 31-55-56-57-76-116
o 33-59-60-62-72-80-121
o 40-109-85
o 131-45-42-49
o 43-105-81
o 50-51-77-115
o 52-53-54-75-78
o 58-82-86
o 119-132
o 110-44-71-13-EARPHONE
o 106-41-79-14-EARPHONE
Schematic

Table of Contents

Related product manuals