EasyManua.ls Logo

Elenco Electronics EP-130 - Two-Transistor Radio

Elenco Electronics EP-130
160 pages
Print Icon
To Next Page IconTo Next Page
To Next Page IconTo Next Page
To Previous Page IconTo Previous Page
To Previous Page IconTo Previous Page
Loading...
-
134
-
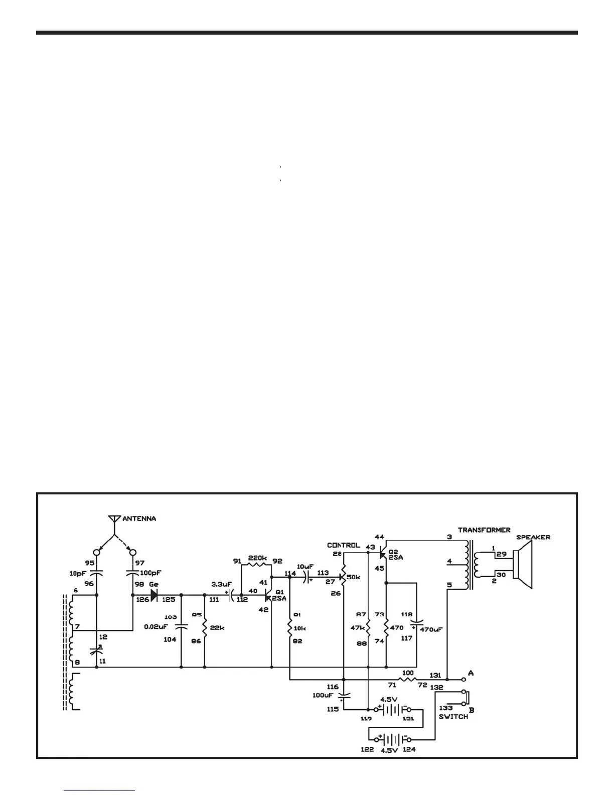
This radio circuit uses two-transistor receiver wit
h
e
nou
g
h
g
ain (amplification) to drive the speaker.
These simple radios require a
g
ood antenna an
d
g
round system. Wire the circuit and use terminal 7
4
as the ground terminal. Connect the antenna t
o
terminal 95 or 97. Use the one that gives the bes
t
results
.
The radio’s detector circuit uses a diode and 22k
Ω
k
k
resistor. First, try to use the radio without the 22k
Ω
k
k
resistor by disconnecting the wire
f
rom terminal 85.
The results are ________
(
worse / im
p
roved
)
fo
r
weak stations and ________ (worse
/
improved) fo
r
stron
g
stations
.
The basic rules o
f
radio reception are the same a
s
in the last experiment (“Crystal Set Radio”). Th
e
tunin
g
capacitor selects the radio station
f
requency
.
Th
e
di
o
d
e an
d
0.02
μ
F
capacitor rectify
(
detect
)
the
a
udio si
g
nal, chan
g
in
g
it from A
C
to D
C
.
S
ince thes
e
signal are very week and must be ampli
f
ied, so yo
u
can hear it throu
g
h the speaker. Transistor Q
1
a
mpli
f
ies the signal
f
irst, then the control adjusts th
e
volume, and finally Q2 amplifies the si
g
nal a
g
ain
.
F
inally, the speaker produces the ampli
f
ied sounds
.
N
o
t
es:
EXPERIMENT #11
3
: TW
O
-TRAN
S
I
S
T
O
R RADI
O
Wirin
g
S
equence
:
1
-29
2
-
30
3
-44
5
-7
2
-
131
6
-12-96
7
-
98
-12
6
8
-11-74-
86
-
88
-1
0
4-11
5
-117-42-11
9
71
-
82
-
116
-
26
2
7-113
28
-4
3
-
8
7
40
-112-
9
1
81
-
92
-
114
-
41
45
-11
8
-7
3
85
-1
03
-111-12
5
121
-
122
1
24-132
9
5-ANT
(
or 97-ANT
)
S
chematic

Table of Contents

Related product manuals