EasyManua.ls Logo

Elenco Electronics EP-130 - OR DTL Circuit with Display

Elenco Electronics EP-130
160 pages
Print Icon
To Next Page IconTo Next Page
To Next Page IconTo Next Page
To Previous Page IconTo Previous Page
To Previous Page IconTo Previous Page
Loading...
-116-
IX. MORE FUN WITH
OPERATIONAL AMPLIFIERS
-45-
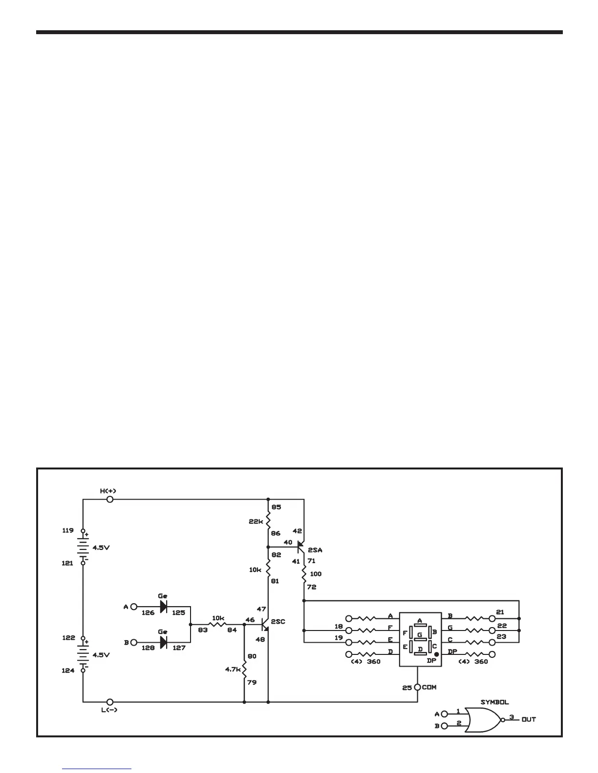
This next circuit is a logic OR circuit. Are you able to
guess how this circuit may work? Remember that the
AND circuit produces high logic only when inputs A
and B are both high. In the OR circuit logic high is
produced when A or B receives a logic high input.
By connecting either terminal A or B to terminal 119
(logic high terminal) the display will show H. Try
connecting each of the terminals to terminal 119;
then to terminal 124. What occurs? When connected
to H the output is high when either A or B is
connected. A+B is the symbol for this logic function.
We won’t explain the entire operation for you here
because this circuit is similar to project #29.
Compare these two projects (29 and 32); then make
notes of their similarities and their differences. On the
schematics diagram see if you can follow the circuit.
Notes:
EXPERIMENT #30: “OR” DTL CIRCUIT WITH DISPLAY
Schematic
Wiring Sequence:
o 71-41
o 72-19-18-21-22-23
o 79-25-48-124
o 81-47
o 83-127-125
o 84-80-46
o 85-42-119
o 86-82-40
o 121-122
o 126-(to 119 “HIGH” or 124 “LOW”)
o 128-(to 119 “HIGH” or 124 “LOW”)

Table of Contents

Related product manuals