EasyManua.ls Logo

Elenco Electronics EP-130 - Data Selector Using TTL

Elenco Electronics EP-130
160 pages
Print Icon
To Next Page IconTo Next Page
To Next Page IconTo Next Page
To Previous Page IconTo Previous Page
To Previous Page IconTo Previous Page
Loading...
-63-
The last experiment you did let you explore how data
could be sent to two or more different outputs. You
can probably think of situations where we might want
to or need to do the opposite - which is sending data
from two different sources of output. This circuit
shows you how.
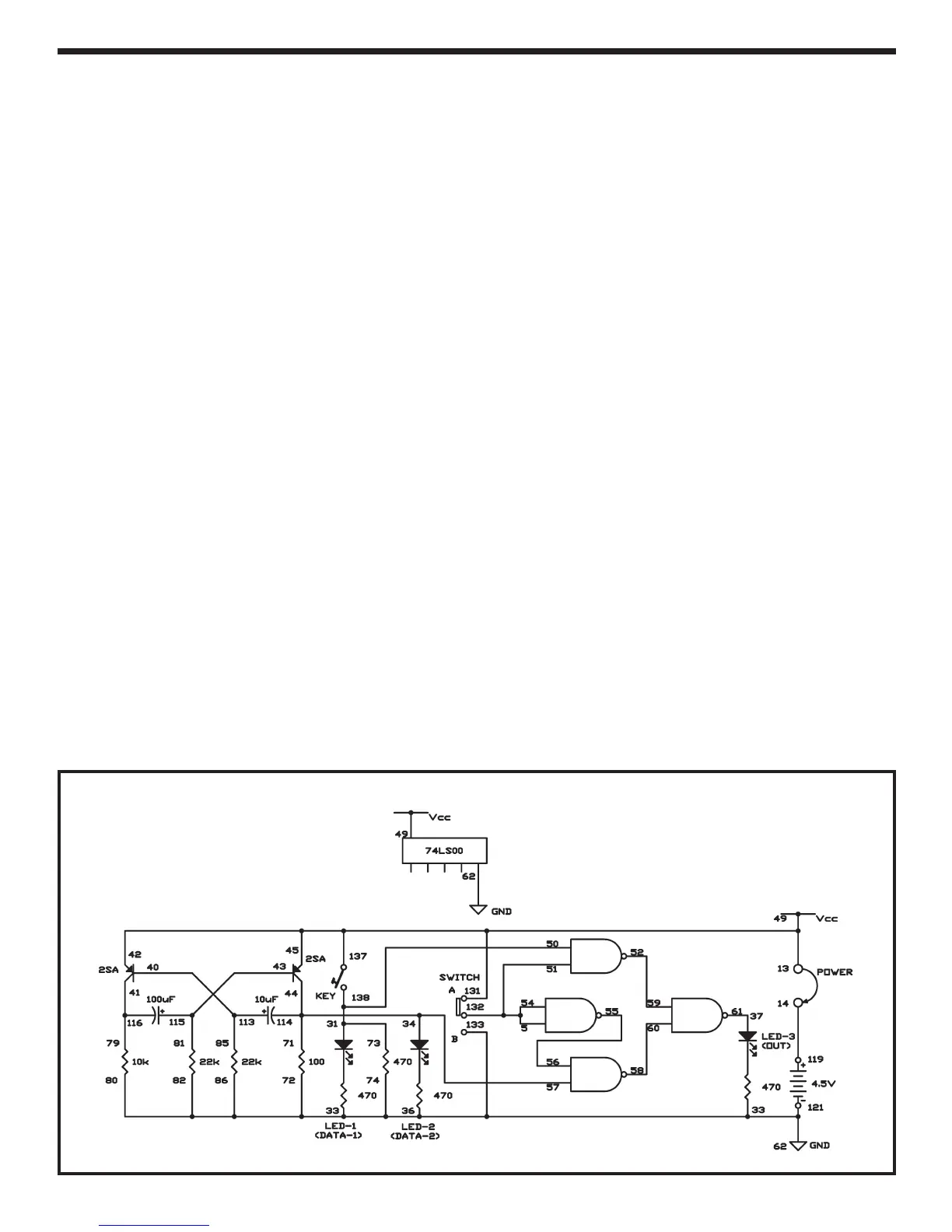
You see two different input sources when you view
the schematic. The multivibrator circuit provides one
of the input signals to LED 2; can you guess what the
other signal is provided by?
YOU! You provide the input signal by pressing and
relieving the key. The LED 1 is controlled by the
action of the key.
Before completing this project set the switch to A.
Once you have connected terminals 13 and 14 to
switch on the power LED 2 blinks. Keep your eye on
both LED 1 and LED 3. Has anything happened yet?
See what happens to LED 1 and LED 3 when you
press the key. At the same time as LED 1, LED 3
goes on and off. Set the switch to B. Now LED 3 turns
on and off according to the blinking of LED 2. To
determine the output of LED 3, you can use either of
the two sources as the input.
Put on your thinking cap, and try following the inputs
from the multivibrator, to the key, to the setting of the
switch, to the LED. By each of the terminals of the
NANDs, mark either a 1 or 0 to observe the different
high and low inputs.
Computers use a more complex version of these
circuits. As you probably guessed, the switching from
one input channel to another is usually done
electronically.
Notes:
EXPERIMENT #47: DATA SELECTOR USING TTL
Wiring Sequence:
o 13-49-42-45-131-137
o 14-119
o 73-50-31-138
o 86-82-74-72-80-62-33-36-39-121-133
o 71-57-34-44-114
o 37-61
o 40-113-85
o 41-116-79
o 51-53-54-132
o 43-115-81
o 52-59
o 55-56
o 58-60
o 13-14 (POWER)
Schematic
-98-
Begin by sliding the switch to position B and wiring
the circuit. This LED flasher uses two diodes. As you
build this experiment, be sure to connect these
diodes in the correct direction.
When you finish assembling the experiment, turn on
the power by sliding the switch to position A, and
press the key. The LED starts blinking immediately.
Even if you don’t press the key, this LED flasher
starts flashing shortly after you turn on the power; if
you press the key, it begins blinking right away.
This LED flasher uses an operational amplifier as an
astable multivibrator, but its flashing time is much
shorter because of the two diodes.
Notes:
EXPERIMENT #79: LED FLASHER
Schematic
Wiring Sequence:
o 81-31-63-131-138
o 33-67-88-90-76
o 68-115-137-128-125
o 69-87-82-84
o 83-70-116-121
o 75-127
o 89-126
o 119-124
o 122-132

Table of Contents

Related product manuals