EasyManua.ls Logo

Elenco Electronics EP-130 - Dual-Supply Differential Amplifier

Elenco Electronics EP-130
160 pages
Print Icon
To Next Page IconTo Next Page
To Next Page IconTo Next Page
To Previous Page IconTo Previous Page
To Previous Page IconTo Previous Page
Loading...
-
9
4-
This is the last in the series of microphone amplifiers
.
Now you will use the operational amplifier as
a
differential amplifier. It is a two-power source typ
e
amplifier, and this time we use the speaker as a
micro
p
hone
.
Slide the switch to
p
osition B and construct the
c
ircuit. When you finish the wiring, apply th
e
e
arphone to your ear, slide the switch to position
A
to turn on the power, and tap the speaker li
g
htly with
your
f
in
g
er.
In this circuit the operational ampli
f
ier is con
f
i
g
ure
d
to amplify the difference between its positive
(
+
)
an
d
ne
g
ative (–) inputs, so we call it a differentia
l
ampli
f
ier. The speaker is connected to th
e
trans
f
ormer, which is then connected to th
e
ampli
f
ier’s inputs, so the speaker signal will be
am
p
lified.
In a speaker, an electrical signal
f
lows through a coil
and creates a magnetic field; the magnetic fiel
d
c
hanges as the electrical signal changes. Th
e
ma
g
netic
f
ield is used to move a small ma
g
net, an
d
t
hi
s movement creates var
i
at
i
ons
i
n a
i
r pressure
,
which travel to
y
our ears and are interpreted a
s
s
o
u
n
d
.
This circuit uses the speaker as a microphone. In thi
s
arran
g
ement, your voice creates variations in ai
r
pressure, w
hi
c
h
move t
h
e magnet
i
ns
id
e t
h
e
speaker. The moving magnet’s magnetic
f
ield create
s
an electrical signal across both ends of a coil. Thi
s
small signal is applied to the primary o
f
th
e
trans
f
ormer, which then results in lar
g
er si
g
nal at th
e
secondary side o
f
the trans
f
ormer
.
T
his circuit is simplified by using the speaker as
a
microphone. To use the earphone as in previou
s
e
xperiments, you would have to make a far mor
e
c
omp
l
ex c
i
rcu
i
t.
No
t
es
:
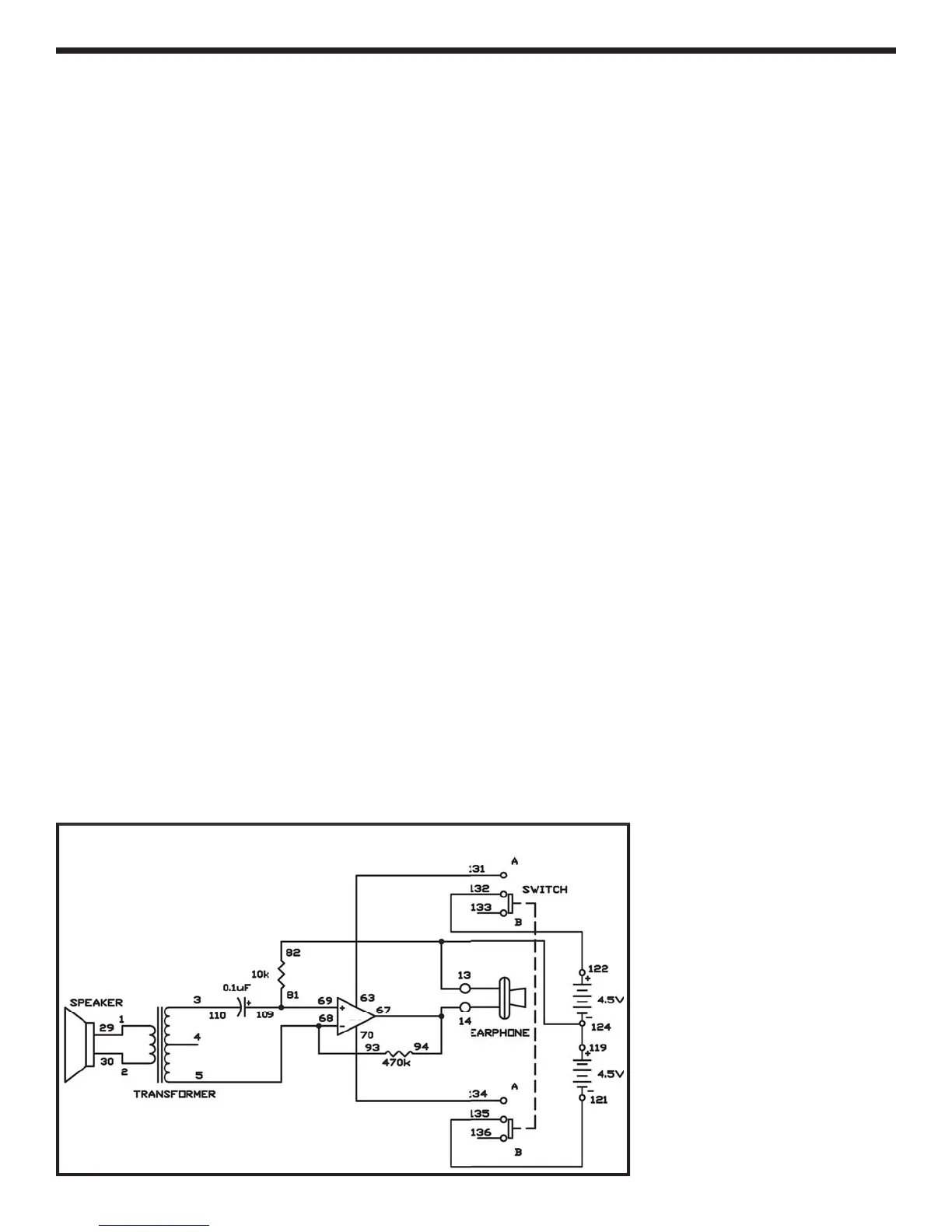
EXPERIMENT #7
5
: D
U
AL-
SU
PPLY DIFFERENTIAL AMPLIFIER
Wiring Sequence:
1
-2
9
2
-
30
3-110
5
-
68
-
93
6
3-131
6
9-81-109
70-134
1
21-135
122
-
132
1
24-119-82-13-EARPH
O
NE
9
4-
6
7-14-EARPH
O
NE
Schematic

Table of Contents

Related product manuals