EasyManua.ls Logo

Elenco Electronics EP-130 - Set;Reset Buzzer

Elenco Electronics EP-130
160 pages
Print Icon
To Next Page IconTo Next Page
To Next Page IconTo Next Page
To Previous Page IconTo Previous Page
To Previous Page IconTo Previous Page
Loading...
-75-
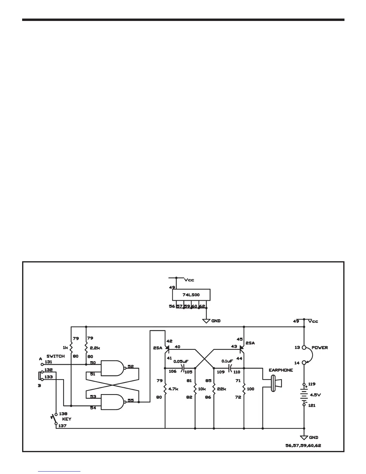
Does anything look familiar about the schematic for
this project? This circuit uses an R-S flip-flop circuit
made from NAND gates, comparable to the circuit in
experiment 38 (R-S Flip-Flop using TTL).
Once you have finished building this project, set the
switch to position A and press the key. A sound
should result from the earphone. Try pressing the key
multiple times. This should not alter the sound in your
earphone. Now move the switch to position B and
push the key one more time. What occurs now?
Circuits like this are used in alarms. Since intruders
usually can’t figure out how to make them stop, they
are extremely useful.
Notes:
EXPERIMENT #58: SET/RESET BUZZER
Wiring Sequence:
o 13-77-75-49-45
o 14-119
o 40-109-85
o 41-106-79
o 42-55-51
o 43-105-81
o 50-78-131
o 52-53
o 54-76-133
o 132-138
o 44-110-71-EARPHONE
o 121-137-62-60-59-57-56-80-82-86-72-EARPHONE
o 13-14 (POWER)
Schematic
-86-
You have seen how a capacitor’s charge/discharge
cycle can be used to delay certain circuit operations.
Now let’s slow the oscillator action in this project with
a 470μF capacitor.
Press and release the key. The circuit oscillates, but
slowly shuts down as the capacitor charges up.
When the capacitor is fully charged, no current can
flow to the oscillator, and it is off. When you press the
key, it instantly discharges the capacitor, and the
oscillator resumes working.
On its positive (+) and negative (–) electrodes, a
discharged capacitor has an equal number of
electronics. Electrical charge is stored in a capacitor
by drawing electrons from the positive electrode (to
actually make it positive) and adding an equal
number of electrons to the negative electrode (to
make it negative). Charging current or displacement
current is the current that flows to charge the
capacitor. The same amount of current must flow in
the opposite direction when the capacitor is
discharging. This current is known as discharge
current or displacement current.
With the voltmeter function if you have a VOM, use it
to measure the charge on the capacitor. The
displacement current can be measured with the
current function.
This electrical-storage ability makes capacitors
useful in many different ways. However, this storage
ability can be dangerous in very high voltage circuits
due to possible shock if you are not careful with it.
You need to discharge capacitors before touching
them if they use voltages above 50V.
Notes:
EXPERIMENT #68: SLOW SHUT-OFF OSCILLATOR
Schematic
Wiring Sequence:
o 1-29
o 2-30
o 3-85-105-109
o 4-120
o 5-41-110
o 40-106-86
o 42-118-137
o 117-138-119

Table of Contents

Related product manuals