EasyManua.ls Logo

Elenco Electronics EP-130 - Non-Inverting Amplifier

Elenco Electronics EP-130
160 pages
Print Icon
To Next Page IconTo Next Page
To Next Page IconTo Next Page
To Previous Page IconTo Previous Page
To Previous Page IconTo Previous Page
Loading...
-93
-
In Projects 72 and 73 (“Non-invertin
g
Dual
S
uppl
y
Op Amp, and “Invertin
g
Dual Supply Op Amp,
respectively
)
, we used the operational amplifier wit
h
two power sources.
I
n t
hi
s exper
i
ment, we w
ill
ma
ke
a sin
g
le-power source, non-invertin
g
microphone
amplifier. A
g
ain, the earphone works as
a
m
i
crop
h
one
.
S
lide the switch to position B and assemble the
c
ircuit. When you competed the wirin
g
, slide th
e
s
witch to
p
osition A to turn on the
p
ower, alternat
e
the control clockwise, and speak into th
e
m
i
crop
h
one.
Th
e exper
i
ment wor
k
s
j
ust
lik
e
P
ro
j
ect
s
72 and 73, but you’ll notice somethin
g
different.
The contrast comes
f
rom the gain o
f
this microphon
e
ampli
f
ier. It is still determined by R1 and R2, but now
it’s much bigger.
C
an you observe why? Yes, we us
e
the 1
00
Ω
resistor in
p
lace of the 1
k
Ω
resistor from
t
h
e
l
ast two exper
i
ments.
T
ry c
h
ang
i
ng
R
2 to 1
k
Ω
,
and the
g
ain drops to the level o
f
the las
t
exper
i
ments
.
I
n t
hi
s ex
p
er
i
ment, two
p
ower sources are connecte
d
in series to operate the dual operational ampli
f
ier a
t
9V. But the operational ampli
f
ier can work at hal
f
thi
s
voltage, at 4.5V.
S
ee what occurs when yo
u
disconnect the operational ampli
f
ier
f
rom batter
y
terminal 122 and connect it to terminal 11
9
.
No
t
es
:
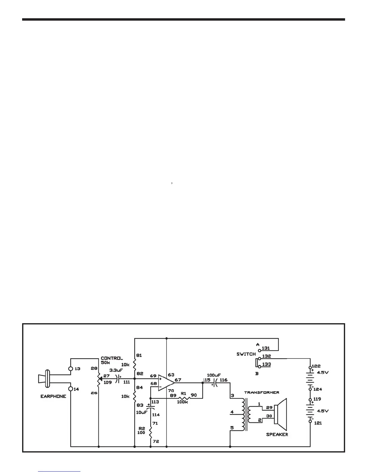
EXPERIMENT #74: NON-INVERTING AMPLIFIER
Wiring
S
equence
:
1
-2
9
2-3
0
3
-11
6
27-11
2
7
1
-
114
8
1-
63
-1
31
6
7-
90
-11
5
89
-
68
-
113
8
4-82-69-11
1
1
1
9
-12
4
1
22-1
32
1
21-26-70-83-72-5-14-EARPH
O
N
E
28-13-EARPHON
E
S
chematic

Table of Contents

Related product manuals