EasyManua.ls Logo

Elenco Electronics EP-130 - Page 113

Elenco Electronics EP-130
160 pages
Print Icon
To Next Page IconTo Next Page
To Next Page IconTo Next Page
To Previous Page IconTo Previous Page
To Previous Page IconTo Previous Page
Loading...
-113
-
Want to create an am
p
lifier that mixes two tone
s
to
g
ether? There are many different types of ton
e
mixing circuits, but the operational amplifier i
s
c
onsidered one of the best
.
After you complete the wirin
g
, slide the switch to
position A to turn on the power. Note the timbre (th
e
tone) of the sound produced. To mix this tone wit
h
another, press the key. You can alter the two separate
tones by chan
g
in
g
the values
f
or the two 10
k
Ω
resistors
.
The tone mixer ampli
f
ier allows you to mix two tone
s
to
g
ether by modi
f
yin
g
resistances with no need t
o
c
han
g
e the other circuits.
N
otes:
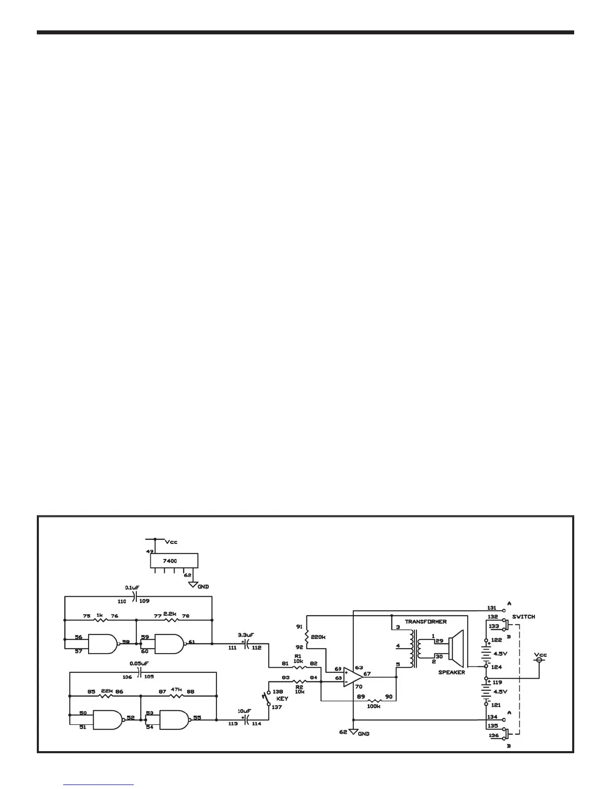
EXPERIMENT #94: TONE MIXE
R
Wirin
g
Sequence
:
1
-29
2
-
30
3-49-91-119-12
4
5
-
6
7-
90
50
-
5
1-
85
-1
06
52
-5
3
-5
4
-
8
7-
86
5
5-88-105-11
3
56
-
5
7-7
5
-11
0
58
-
59
-
60
-7
6
-7
7
7
8
-
61
-
109
-
111
62
-7
0
-
134
63
-1
3
1
68
-
82
-
84
-
89
69
-
92
8
1-11
2
83
-1
38
114
-
13
7
121
-
13
5
122
-
132
Schemati
c

Table of Contents

Related product manuals