EasyManua.ls Logo

Emerson SI-PROFIBUS - Page 70

Emerson SI-PROFIBUS
108 pages
Print Icon
To Next Page IconTo Next Page
To Next Page IconTo Next Page
To Previous Page IconTo Previous Page
To Previous Page IconTo Previous Page
Loading...
70 Unidrive M SI-PROFIBUS User Guide
Issue Number: 3
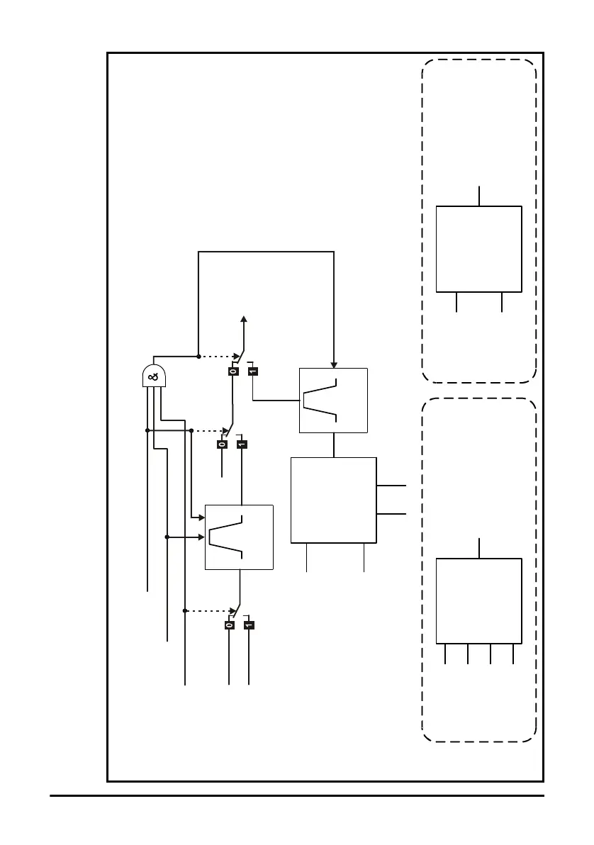
Figure 12-2 PROFIdrive V4 Speed Control State Machine
Speed Error
Comparator
Setpoint
(Main/Jog)
t
max
Tolerance range
Actual value
Status word bit 5
0=
1=
Speed Compa
r
a
t
o
r
Setpoint
(Main/Jog)
Actual
value
S
t
a
t
u
s
w
o
r
d
b
i
t
6
0
=
1
=
(
P
r
)
1
0
.
0
0
7
Control Word bit 4:
1= enable RFG
0 = reset RFG
Control Word bit 5:
1= unfreeze RFG
0 = freeze RFG
Control Word bit 6:
1 = enable main setpoint
0 = reset main setpoint
Ramp function
genrator
C1 C2 O/P
000
10J1
01J2
1 1 no change
J1 J2
Ramp function
genrator
Main setpoint value
(Pr )
01.021
To speed controller
Control word bit 8
1 = jog forward ON
2 = jog forward OFF
Reset RFG
Control word bit 9
1 = jog reverse ON
2 = jog reverse OFF
Jog forward set-point
(Pr )
01.005
Jog reverse set-point
(Pr )
01.005
0 = Main set-point active
(control word bit 4, 5 or 6 = 1)
1 = Jog set-point active
(control word bit 4, 5 or 6 = 0)
Reset RFG
Speed or frequency
reached / exceeded
Speed or frequency
not reached
Not at speed
At speed
(Pr )
10.006

Table of Contents

Related product manuals