EasyManua.ls Logo

Enerdis C.A 2150-E - 4 Display Programming

Enerdis C.A 2150-E
55 pages
Print Icon
To Next Page IconTo Next Page
To Next Page IconTo Next Page
To Previous Page IconTo Previous Page
To Previous Page IconTo Previous Page
Loading...
18
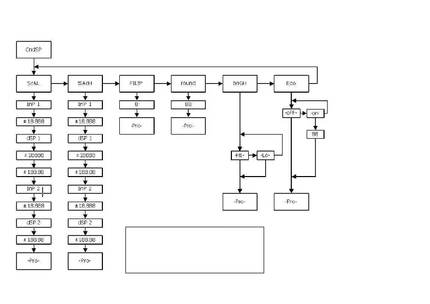
4 DISPLAY PROGRAMMING
NOTE: In the programming of the 600 V
DC or V AC range, 600,0 is accepted as a
maximum ,in both ScAL and tEAcH
methods.