EasyManua.ls Logo

Engine distributors WSG-1068 - Page 215

Default Icon
331 pages
Print Icon
To Next Page IconTo Next Page
To Next Page IconTo Next Page
To Previous Page IconTo Previous Page
To Previous Page IconTo Previous Page
Loading...
199
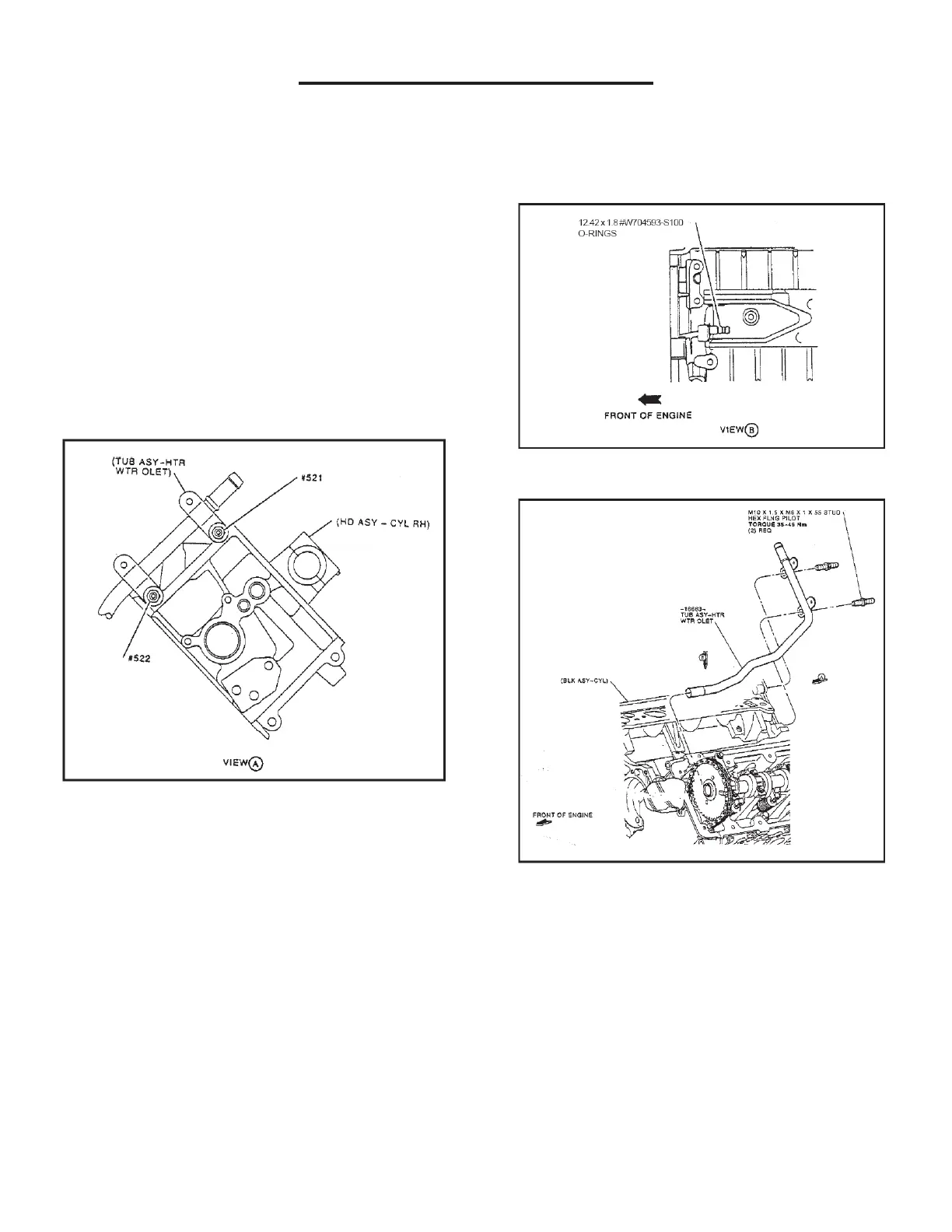
WSG-1068 COOLING SYSTEM
With or Without Dry Fuel Evaporator Plumbing
Removal of Heater Water Inlet Tube
(18663)
1. Drain the cooling system.
2. Remove the upper and lower intake manifold
together. Refer to Section 01 for details.
3. Remove the two studs securing the tube to the
rear of the right side cylinder head and remove
the tube.
4. Inspect the water pump tube assembly o-rings
for damage.
Installation of Water Heater Return Tube
Assembly with by-pass Hose
1. Lightly lubricate the o-rings prior to installing the
water outlet tube.
2. Install the heater water outlet tube.
3. Install the water tube-mounting studs.
4. Install the lower and upper intake manifold.
(Refer to Section 01.
5. Install rubber cap and clamp on outlet tube if not
using LPG or cab heater.
6. Refill the cooling system.

Table of Contents

Related product manuals