EasyManua.ls Logo

Engine distributors WSG-1068 - Page 249

Default Icon
331 pages
Print Icon
To Next Page IconTo Next Page
To Next Page IconTo Next Page
To Previous Page IconTo Previous Page
To Previous Page IconTo Previous Page
Loading...
233
WSG-1068 CHARGING SYSTEM
2. Hold the voltage regulator in one hand and pry
off the cap covering the “A” screw head with a
screwdriver.
3. Remove two screws (T20 Torx type head)
attaching the regulator to the generator brush
holder. Separate the regulator from generator
brush holder.
06-15
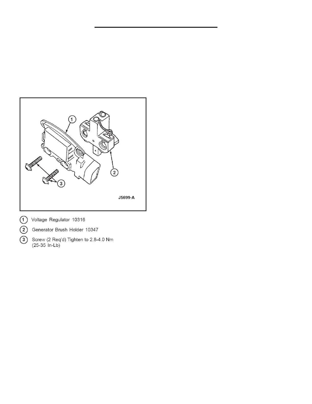
Regulator - Installation
1. Replace generator brush holder to voltage
regulator and install attaching screws.
2. Replace cap on the head of the “A” terminal
screw.
3. Depress the generator brushes in the generator
brush holder.
Hold the generator brushes in position by
inserting a standard size paper clip (or
equivalent) through both the location hole in
the voltage regulator and through the holes in
the generator brush holders.
4. Install the voltage regulator and generator brush
holder to the generator with attaching screws.
Remove paper clip (or equivalent) from the
regulator.
5. Install generator following installation in this
section.
NOTE: Only the regulator, brush holder and
generator pulley are serviceable. If the generator
needs further service, it must be replaced as an
assembly.

Table of Contents

Related product manuals