EasyManua.ls Logo

evertz HDSD9545DLY-PRO - Figure 1-1: Standard Delay Unit Block Diagram; Figure 1-2: Delay Unit with HD40 Option (Embedded Audio Mode) Block Diagram

evertz HDSD9545DLY-PRO
64 pages
Print Icon
To Next Page IconTo Next Page
To Next Page IconTo Next Page
To Previous Page IconTo Previous Page
To Previous Page IconTo Previous Page
Loading...
HDSD9545DLY - PRO Profanity Bypass Delay Manual
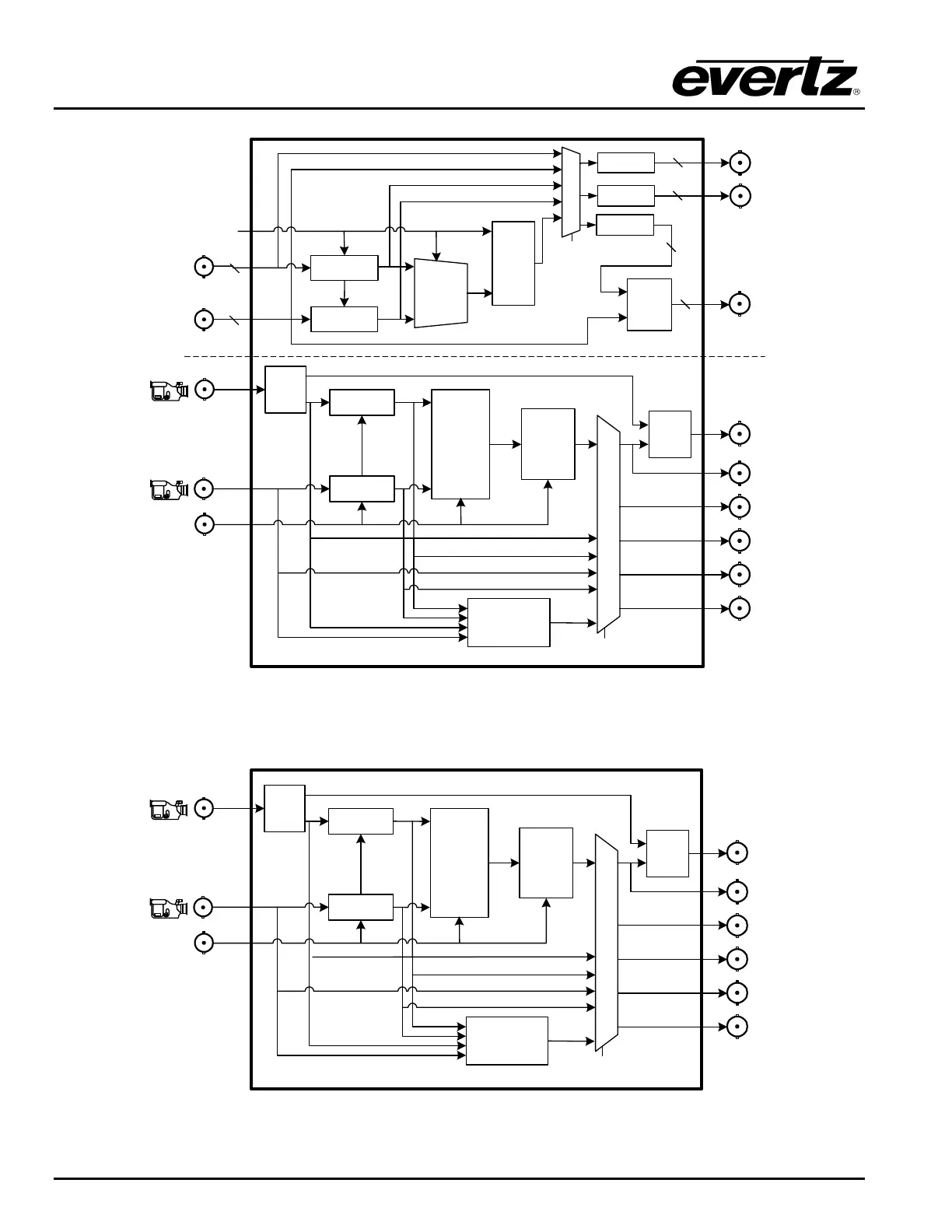
Page 1-2 Revision 1.3.7 OVERVIEW
** Soft mutes only function when embedded audio softswitch is enabled
++ Hard mutes only function when delayed sources are selected
Video
ADJUSTABLE
DELAY
Embedded
Audio only
soft mute
2x1 Video
Switch with:
Glitchless
Output and
Embedded
Audio
Cross-Fade
Relay
Bypass
Genlock
Quad Split
Resolution follows
program input
Output Config
Safe Delay
Panic Input
Live Feed
A
(Bypass protected)
HD/SD
Safe Shot
HD/SD
Program Shot
(Live Talent)
Video
ADJUSTABLE
DELAY
Safe
PGM Delay
PGM
HD/SD
Outputs
B
Relay
Bypass
C
D
E
A
**Audio
soft
mute
without
source
switch
DARS/Genlock
Relay
Bypass
2x1 AES
Switch
with Audio
Softswitch
ADJUSTABLE
DELAY
ADJUSTABLE
DELAY
Live Program
Audio
4 AES/Dolby E
Safe Audio
4 AES/Dolby E
++Hard
Mute/Pass
++Hard
Mute/Pass
Output
Config
Audio Output A
AES (1-4)
(Bypass Protected)
4
4
Audio Output B
AES (1-4)
Audio Output C
AES (1-4)
4
4
4
++Hard
Mute/Pass
4
Figure 1-1: Standard Delay Unit Block Diagram
Video
ADJUSTABLE
DELAY
Embedded
Audio only
soft mute
2x1 Video
Switch with:
Glitchless
Output and
Embedded
Audio
Cross-Fade
Relay
Bypass
Genlock
Quad Split
Resolution follows
program input
Output Config
Safe Delay
Panic Input
Live Feed
A
(Bypass
protected)
HD/SD
Safe Shot
HD/SD
Program Shot
(Live Talent)
Video
ADJUSTABLE
DELAY
Safe
PGM Delay
PGM
HD/SD
Outputs
B
Relay
Bypass
C
D
E
A
Figure 1-2: Delay Unit with HD40 option (Embedded Audio Mode) Block Diagram

Table of Contents

Related product manuals