EasyManua.ls Logo

GE B90 - Page 310

GE B90
510 pages
Print Icon
To Next Page IconTo Next Page
To Next Page IconTo Next Page
To Previous Page IconTo Previous Page
To Previous Page IconTo Previous Page
Loading...
5-118 B90 LOW IMPEDANCE BUS DIFFERENTIAL SYSTEM – INSTRUCTION MANUAL
PRODUCT SETUP CHAPTER 5: SETTINGS
5
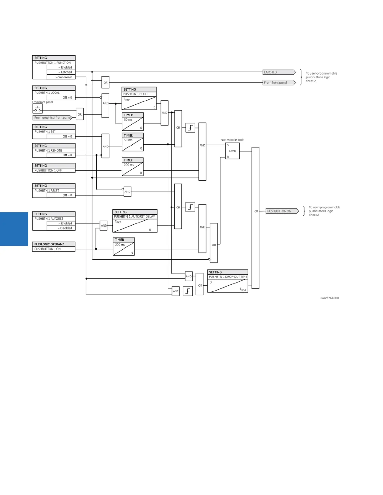
Figure 5-54: User-programmable pushbutton logic (Sheet 1 of 2)

Table of Contents

Related product manuals