EasyManua.ls Logo

GE LOGIQ E9 - Page 206

GE LOGIQ E9
808 pages
Print Icon
To Next Page IconTo Next Page
To Next Page IconTo Next Page
To Previous Page IconTo Previous Page
To Previous Page IconTo Previous Page
Loading...
GE
D
IRECTION 5535208-100, REV. 2 LOGIQ E9 SERVICE MANUAL
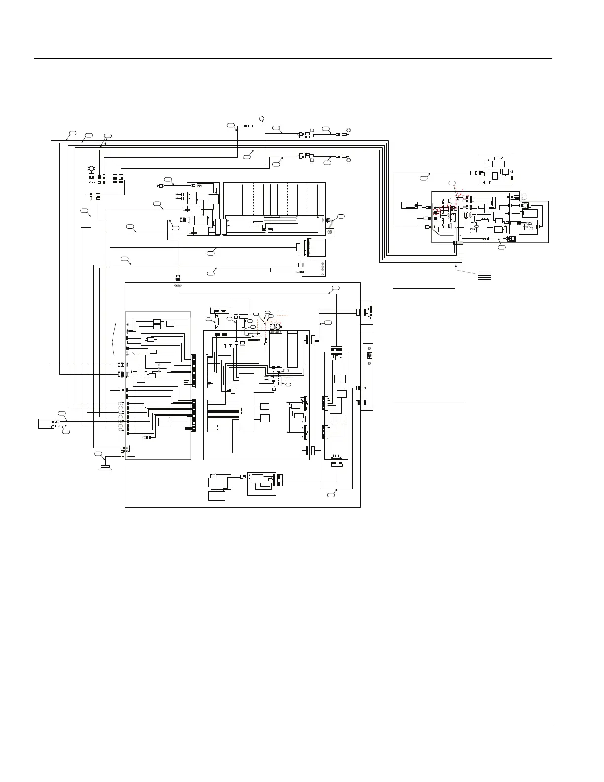
5 - 8 Section 5-2 - LOGIQ E9 description
5-2-5 LOGIQ E9 Overall block diagram - BEP6.x - R4.x
Figure 5-3 LOGIQ E9 Block diagram - BEP6.x -
+12V
BEP 6.1
100/1000bT
POWERBOARD
FRONT I/O
DVI-D
RX
DVI-D
TX
DVI-D
TX
AUDIO L
AUDIO R
EXT USB 2
EXT USB 1
DVI-I OUT
AUDIO
AMP
+5stby
48V
ON/OFF SW, PWR LED
SIDE I/O BOARD
+5V
+12V
GFI/MRX
AUDIO
FROG
BRAKES
XYZ CONTROLLER
SVGA
J21
J22
J29
J27
J30
J25
J4
J12
J14
J33
J44
J42
J43
J40
J41
REAR
PANEL
INNER
LEFT BRAKE
MAIN POWER SUPPLY
J26
Z MOTOR
TO
PRINTERS
PATIENT IO
(BT2010
OPTION)
USB
OP PANEL
REG
5V12V
3.3V
CONTROLLER BOARD
BULKHEAD
BOARD
48V
USB
USB
AUDIO
uP
3.3V
KEYBOARD
USB
HUB
5V
USB
ON/
OFF
10.4"
LCD
+12V
HV INV
USB
UP/DN/LOCK
BUTTONS
TRACKBALL
SWITCH
BOARD
+12V
+5V
GEL WARMER
TEMP
CONTROL
MAIN LCD DISPLAY
BULKHEAD
PLATE
INNER
RIGHT BRAKE
OUTER
RIGHT BRAKE
OUTER
LEFT BRAKE
48V
DVI VIDEO
48V POWER/AUDIO
USB FOR OP PANEL
USB FOR VIDEO ON TOUCH PANEL
UP/DN/BRAKE/RELEASE SWITCHES
MAIN CABLE
MEMORY STICK
MICROPHONE
USB/
VIDEO
TOUCH
DVD 1
SATASATA PWR
BAYBIRD
(VGU
OPTION)
X-Y
LOCK
MOTOR
BW
PRINTER
(OPTIONAL)
USB
PWR
TO MAIN
PWR
SUPPLY
CW PROBE
CONNECTION
(BT2010 OPTION)
B
M
Z
H
A
P
Q
I
Y
D2
BB
R
C
C
ITEM PART NUMBER DESCRIPTION
A 5148381-X MAIN POWER CORD (X DEPENDS ON COUNTRY)
B GA200335 FROG BRAKE CONTROL (2 used)
C GA200334 FROG BRAKE ARM (2 used)
D 5272357-2 MAIN CABLE ASSEMBLY
D1 5269862 MAIN CABLE – POWER/AUDIO
D2 5262473-2 MAIN CABLE – VIDEO
D3 5265371 MAIN CABLE – XYZ SWITCH SIGNALS
D4 5248609 MAIN CABLE – USB (2 used)
E 5430937 VIDEO (HDMI)+USB CABLE - LCD
G 5248610 USB OP PANEL TO BULKHEAD (2 used)
H 5194492-8 USB CABLE - MAIN POWER SUPPLY
I 5194495 POWER CABLE – BEP 48V
J 5431486 PCI EXPRESS RIBBON CABLE
L 5194492-6 USB CABLE – XYZ CONTROLLER
M 5431110 POWERED eSATA CABLE – DVD
P 5194498 AUDIO CABLE - SUBWOOFER
Q 5194492-2 USB CABLE – BW PRINTER (USED ONLY IF PRINTER INSTALLED)
R 5194493 POWER CABLE – BW PRINTER (USED ONLY IF PRINTER INSTALLED)
S GA200536 CW CONNECTOR FLEX CIRCUIT (USED ONLY IF CW INSTALLED)
T 5310448 XY LOCK
U 5198990 UP/DOWN/LOCK BUTTONS
Y 5244550 POWER BAYBIRD (USED ONLY IF VGU INSTALLED)
Z 5194492-3 USB CABLE – BAYBIRD (USED ONLY IF VGU INSTALLED)
AA 5245462 GEL WARMER POWER
BB 5194492-4 USB CABLE – 4D CONTROLLER
EXTERNAL CABLES AND HARNESSES:
BEP ASSEMBLY CABLES AND HARNESSES:
B
J1
J46
T
U
D3
+48V
5V
POWER
P7
P8
P1
P2
P3
P4
D4
J24
J22
J21
J25
J23
J18
J19
J15
J1
P5
P6
L
5V FROM J21
4D MOTOR
CNTRL
H-BRIDGE
DC-DC
CONVERTERS
POWER
FACTOR
CORRECTION
ISOLATION
AND
DC HEAD
CONTROL
S
120VAC
INVERTER
USB
POWER
CHARGEBOARD
12V
BATTERY
+
-
12V
BATTERY
+
-
CHARGER
48V
5vDUAL
AC FAIL
D1
20A
5V FROM J22
5V
FLAT
SCREEN
+12V
HV INV
USB
HUB
USB/
AUDIO
MIC
5V
48V
5V
REG
12V
USB
VIDEO
CNTL
E
L
OPTION KEY
R4 ONLY
J7
J28
J100
USB Micro
Controller
IO Ports &
VPD
DVI-D
FET
+5V
CODEC
+12V
AUDIO
AMP
USB PWR ENABLE
OC DETECT
USB #H3
USB #H4
USB 0
SATA #3
SATA #2
TO DVR
DIGITAL AUDIO (FUTURE)
+3.3V
+5V
+5V STBY
+5V
+12V
+48V
+28V BATT
LAN
CTRL
USB 13
USB 1
USB 2
USB 3
USB 4
USB 5
USB 6
USB 7
USB 9
48v TO 28v
CONVERT
28v
TO
12v
28v/BAT
SOURCE
SELECT
28v
TO
5v
28v
TO
3.3v
Vbat
Vbat
5vDUAL
5V STBY
ACFAIL
48V
ACFAIL
48V
Vbat
5vDUAL
48V
+12V
NOT
USED
+12V
J3
J2
RELAY
MRX
GTX
GTX
GTX
PD
BACKPLANE
A
BSCAN
PCI EXPRESS
4D MOTOR DRIVE
CARD RACK
+5V
VPD
I2C
METAL SHIELD
METAL SHIELD
METAL SHIELD
J1
J2
EXTRA PCI
EXPRESS LANES
DOPPLER AUDIO
S-VIDEO
OUT
(OPTION)
J30
MOTHERBOARD
CN
SATA4
USB 1,2
+ LED’S
16X PCI EXPRESS
SPARE
DVI-I IN
PCI
DVR
(OPTIONAL)
DVI-I OUT
AUDIO IN
CN IO 1
CN
SATA6
CN SATA3
CN
SATA0
HARD
DRIVE
SATA SATA PWR
PCIE x1
without DVR
CN F101
HOST
DVD
PCH
CN IO 2
5vDUAL
POWER
5V STBY
+5V
3.3vDUAL
POWER
3.3vDUAL
+12V
+3.3V
ACFAIL
48V
Mini PCIe
IPASS1
IPASS2
+5V
+12V
+48V
Patient IO
+5V
+12V
cFast
HUB
+3.3V
+5V
+5V STBY
with DVR
CN DVI 2
CN DVI 1
CN AUDIO1
SATA2
SATA3
SATA4
SATA0
SATA5
CN SATA5
CN PWR1
CN PWR2
CN USB11
PCIe L6
USB8
POWER ON/OFF
USB0
USB10
USB9
USB13
USB7
USB12
PCIe L8
PCIe L5
SATA0
8
9
9
Without DVR
With DVR
2
1
A
J1J2
ITEM PART NUMBER DESCRIPTION
1 #$ BEP POWER
2 #% FRONT PANEL
3 #@ SATA HARD DRIVE
4 #@ POWER HARD DRIVE
5 5439827!! SATA TO DVR (USED ONLY IF DVR INSTALLED)
5A 5439827-2!! DVR TO SATA (USED ONLY IF DVR INSTALLED)
6 #$ SATA JUMPER (USED IF DVR NOT INSTALLED)
7 #$ PAT IO POWER AND USB
8 5408168$ VIDEO JUMPER FLEX
9 5428990$!! DVI-SAMTECH FLEX
11 5435462 AUDIO FOR DVR (USED ONLY IF DVR INSTALLED)
# = no GE number for cable
$ = included in cable kit 5433408-80
% = cable comes with Front Panel 5433408-41
@ = cable comes with HD 5433408-50
!! = cable comes with DVR kit 5263884-3
7
11
4
3
5A
5
6
J
DC
VOLTAGES
(X2 = P4 on MPS)
PULSER
VOLTAGES
(X1 = P3 on MPS)
G
NOT INSTALLED
STARTING
APRIL 2014

Table of Contents

Other manuals for GE LOGIQ E9

Related product manuals